The United States National Research Council (NRC) has identified Nuclear Thermal Propulsion (NTP) as a high-priority NASA Space Technology Roadmap Area. NTP could be an enabling technology to reduce transit time and mission risk to Near-Earth Objects, Mars, and other deep space destinations. Nuclear power and propulsion technologies are key enabling technologies for future NASA exploration missions. The goal for Stennis Space Center is to investigate the technologies that would be required in the potential development of a Nuclear Propulsion and Power Nonnuclear (NP2N) test facility to provide component- and system-level ground testing of the NTP systems during the development and certification phases of their lifecycle.

Technology Needs
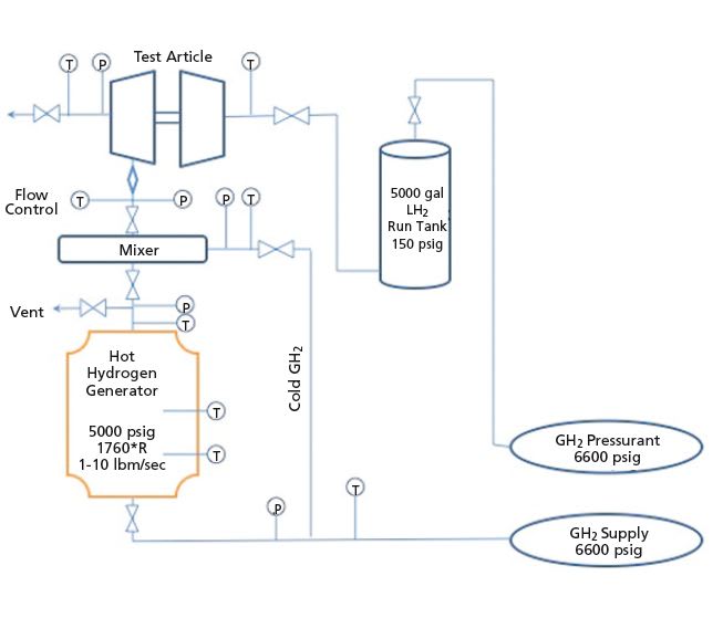
The generation of the high-temperature fluids simulating the output from a reactor requires specialized systems or capabilities to be in place for a test facility. A primary output gas used for testing purposes is “hot” hydrogen. The generation of the hot hydrogen typically utilizes some means of heating a core material while passing the hydrogen gas across or through it. In order to have an operating NP2N test facility, high-temperature materials suitable for use in facility system elements must be available. The high-temperature gas generation and subsequent transport or transfer systems must enable the system to control hot gases for NTP applications (i.e., hot gas characterized by temperatures ~3,000-5,000 °F, operating pressures ~300-1,000 psia, flow rates ~0.10–10.00 lbm/sec, and flow durations ~1 hour).
The technology need is the identification of high-temperature seals or sealing method options for use in systems of hot hydrogen fluid generation, transport, and control. The temperatures required for the hot hydrogen test conditions induce adverse reactions to piping and components that become susceptible to leaks. Depending on test conditions, hot hydrogen gas may auto-ignite at leak points and could cause severe damage to NP2N test facilities or customer test articles.
Technology Challenges
There are two technology challenges of specific concern. One is a seal’s ability to work and survive in the anticipated extreme environments of the NP2N test facility with the extremely hot gas environment and hot hydrogen resistance requirement at the expected operating pressures and flow rates within both tubing systems ranging from 1⁄4 – 1" OD, and traditional piping systems ranging from 1 – 6" OD pipe. The second is the sealing, to prevent gas leakage, at or around interfaces for typical piping instrumentation (pressure or temperature devices, etc.) and components (flowmeters, valves, etc.). Seals must have sufficient compliance to insure the flow path is maintained sealed. These concerns must be taken into account for the identification of a material for any specific application within the NP2N test facility.
More Information
For additional information, or to discuss ideas about this concept, contact the Office of the Chief Technologist at Stennis Space Center at 228-688-1929 (fax 228-688- 1156),

