A stepper motor is a type of brushless DC motor comprised of connected coils called “phases.” These electromechanical devices are generally driven in open loop without a feedback sensor, with current applied on the phases without knowing the rotor position. The rotor moves into alignment by means of the stator’s magnetic flux, generated by the current flowing in the phases. At each pulse, the current can be supplied to the next phase, allowing incremental rotational movements, or steps.
There are two methods to supply current in the coils: bipolar and unipolar. This article will explain the differences between bipolar and unipolar motors, their driving methods, and advantages and limitations.
Figure 1 shows a four-step, permanent magnet stepper motor. The rotor is made with a one pole-pair magnet and the stator consists of two phases: Phase A and Phase B. In the unipolar method, the current always flows in the same direction. Each coil is dedicated to one current direction, so either coil A+ or A- is powered; the A+ or A- coils are never powered together. In the bipolar method, the current can flow in both directions in all coils. Phases A+ and A- are powered together. A bipolar motor requires one coil minimum per phase and a unipolar motor requires two coils minimum per phase. Here’s a detailed look at both options:
Unipolar Motor Construction
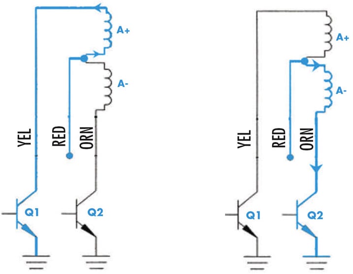
In the unipolar configuration, each motor phase is composed of two coil windings. With a two-phase motor composed of Phases A and B, the motor has four coil windings, as shown in Figure 2.
Phase A is composed of A+, A-
Phase B is composed of B+, B-
The current in each coil can only flow in a single direction, making it unipolar. In voltage drive, the control system is easy, with only one switch, or transistor, per coil. When the transistor is closed, the coil is powered. To commutate the motor, the transistors are alternately closed and opened.
In Figure 3, transistors Q1 and Q2 cannot be closed at the same time. To power Phase A, you must close either transistor Q1 or Q2, depending on the direction you need the current to work. With unipolar control, only half of the phase is powered at a time, so the current only uses half of the copper volume. With voltage drives, serial resistances are typically applied to decrease the electrical time constant. This scenario will be explained later in the article.
Bipolar Motor Construction
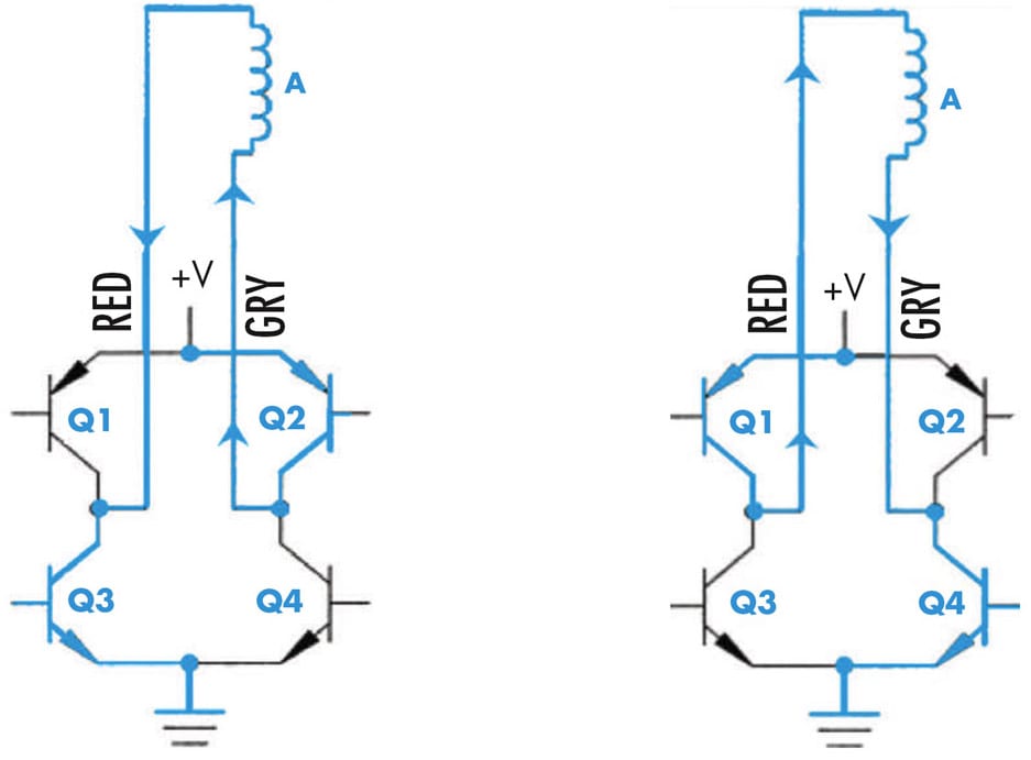
Bipolar motors need only one coil winding per phase and the current can flow in both directions per coil. Eight transistors with two H-bridges are required to control bipolar motors, as shown in Figure 4.
In Figure 5, the transistors are alternately closed and opened to provide commutation. Bipolar drives have the advantage of using all the copper per phase. These bipolar drives are used either in the motor’s voltage drive or in current source. For the current source, the current in each phase is controlled with a pulse width modulation (PWM). Two techniques are used for PWM: slow decay or fast decay, depending on whether the current is supposed to decrease slowly or quickly through the motor phase during the PWM “off” time.
Advantages and Limitations
Voltage drive. A simple circuit with four transistors provides cost-effective unipolar control. A voltage drive for bipolar motors requires two H-bridges (eight transistors).
Current drive. A bipolar mode is preferable for current drives because unipolar technology requires more complex electronics to achieve less motor performance.
Voltage drive precaution. Due to the inductance effect, the current needs some time to rise in the coil. For either unipolar or bipolar drives, you can add a serial resistance to decrease the electrical time constant (L/R). By adding an external resistance, the current decreases (i = U/(R+r)).
In summary, adding resistance for the same power supplied results in a lower torque at low speed. The current is lower due to the joule power dissipated in the external resistance. Because the torque is proportional to the current, the motor will deliver less torque. At high speed, it results in a higher torque. Even if some joule power is dissipated in the external resistance, the motor will be able to deliver more torque thanks to the lower electrical time constant. This allows the current to rise more quickly in the coil. (Note: With an increase in supply voltage, you can compensate for the lower current; however, the overall energy efficiency will be lower. The torque is improved at high speed and maintained at low speed.)
Holding Torque
Holding torque is the maximum torque that the motor can hold. Holding torque is proportional to the torque constant and the current in the phase.
T holding max = k * i
where
T holding max is the holding torque (Nm)
k is the torque constant (Nm/A)
i is the current in the phase (A)
Higher torque can be generated by increasing the number of coil turns or by increasing the current flow. Increasing the current caused extra heat due to the joule loss dissipation ( P joule = R * i 2). The current supply is limited by the thermal capability of the coil. The coil temperature can generally reach the coil’s maximum admissible temperature — typically 100 °C or 150 °C, depending on the motor type.
Let’s look at the joule losses in both combinations (Figure 6 below), considering one phase ON:

Taking into account that each individual coil has its own resistance, inductance, and torque constant, and if the joule losses are the same for both cases, P joule bi = P joule uni = P 0 , we will have:
For the same joule losses dissipated, the bipolar motor can produce √2 (≈40%) more torque than the unipolar drive. And for the same electrical power, the bipolar drive gets better results than the unipolar drive.
Dynamic Mode
The preceding demonstration shows that when the same power is dissipated, the bipolar motor can deliver 40% more torque. However, at high speed in voltage drive, the unipolar motor can deliver higher torque than the bipolar motor because the current can flow faster in the coil. Figure 7 provides an example.
Wires and Motor Connection
A bipolar motor generally has four wires whereas a unipolar motor has eight wires if the middle point is not connected (Figure 8).
Eight Wires
If the unipolar motor has eight wires, it can be converted into a bipolar version by connecting the half-phases. The coils can connect in series or parallel. Both options have the same motor regulation (R/k2) and the same torque performances for the same electrical power.
A serial assembly has a resistance four times higher than a parallel assembly. A serial connection requires twice the current and half the voltage of a parallel connection. A serial or parallel connection will match the power supply.
Make Your Comparison
The table in Figure 10 presents the advantages of unipolar and bipolar assemblies. Unipolar control was popular in the past but bipolar in current drive has become more prevalent thanks to cost improvements. For voltage drive, unipolar control is still a cost-effective option.
This article was written by Clemence Muron, Applications Engineer at Portescap, West Chester, PA. For more information, visit here .

