An improved technique of limited-precision arithmetic has been devised for use in convolutional filtering of image data prior to conversion of the data to binary form. Both limited-precision arithmetic and conversion to binary form reduce the volume of data, thereby contributing to processing speed and reducing the sizes of circuits needed to perform, and store the results of, intermediate stages of processing. Applications in which these techniques are or could be helpful include robotic vision, recognizing and tracking moving targets, stabilizing images in hand-held video cameras, and general enhancement of images.

The preferability of the present saturation-based technique over the conventional truncation-based technique arises in the treatment of intermediate results of Laplacian and Gaussian convolutional filtering of an image. Truncation or rounding sacrifices bits of low order to preserve the fundamental magnitude of a number as represented by the bits of high order. In the final conversion to binary, the bits of lowest order account for the finest detail in the resultant image. For a pixel value near zero, a change of +1 or —1 in a bit of low order can make a difference in the sign of the binary pixel value, possibly yielding the incorrect binary value (corresponding to a pixel that should be black instead of white or vice versa).
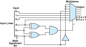
In the present saturation-based technique, one discards high-order bits in such a way as to preserve correct sign of the pixel value in the final conversion to binary. In this technique, each pixel value is examined and modified as follows: If the value is larger than the largest value that can be represented in the result, then the pixel value is replaced by that largest value. Conversely, if the pixel value is negative or smaller than the smallest value that can be represented in the result, then the pixel value is replaced by that smallest value. The figure depicts a circuit that efficiently saturates a six-bit input to a four-bit output.
This work was done by Robert L. Shuler, Jr., of Johnson Space Center. For further information, access the Technical Support Package (TSP) free on-line at www.nasatech.com/tsp under the Mechanics category.
MSC-22850

