A low-power serial data communication link has been designed to transmit data among subsystems of a spacecraft instrumentation system, at rates up to 5 × 105 bits per second. The design of the link is adaptable to other spacecraft systems and to terrestrial applications that include cellular telephones, laptop computers, and other compact, lightweight digital electronic consumer products.
The design had to satisfy requirements for low power consumption, small volume, small mass, and radiation hardness. Signals were required to be transmitted via differential networks to help minimize noise effects. The link was required to function over data-transmission lengths up to 1 m, and in the presence of potential differences of as much as 0.5 V between receiver and transmitter electrical grounds. In addition, there was a requirement that subsystems on the network that were powered down could not become powered up through the serial link.
The differential signals in the link include a clock signal, a data signal, and envelope signals (see Figure 1). An envelope signal becomes active at one-half period before the first rising edge of the clock signal and remains active until the end of the ensuing transfer of data. Data bits are valid on the rising edges of the clock signal.
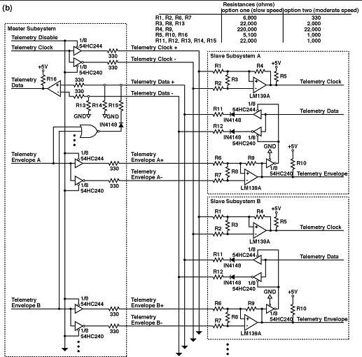
The serial link includes a master subsystem that transmits commands to, and receives telemetric data from, numerous slave subsystems. Because there is a single source of commands and there are multiple sources of telemetric data, the serial link is divided into a command portion that includes a transmitting differential network [see Figure 2(a)] and a telemetry portion that includes a receiving differential network [see Figure 2(b)]. For each portion, there are two design options: one for data rates up to 2 × 104 bits per second, and one for data rates up to 5 × 105 bits per second. The higher-data-rate option involves smaller resistance values and thus higher power consumption. In both portions, all slave subsystems receive the same clock and data signal pairs, while each slave subsystem receives its own envelope signal pair. Each envelope signal pair indicates the subsystem to which the data are to be sent.

The serial link offers the following advantageous features in addition to those mentioned above:
- The circuitry includes LM139A comparators with feedback resistors connected to them to add hysteresis and thereby provide some immunity to noise. This feature is useful if the differential inputs to a comparator are differentially delayed because of differences in lengths of signal conductors.
- Voltage dividers connected to the comparator input terminals allow slave subsystems' ground potential to differ from the master subsystem's by as much as 1 V.
- All current loops carry small currents. The comparator input currents are smaller than 1 µA. The current flowing between any two subsystems is smaller than 5 mA. Interference and grounding problems associated with current loops are therefore less severe than they might otherwise be.
- Options are available by varying the basic design. Command and telemetry clock signals can be combined into a single clock-signal pair to reduce complexity. Similarly, the command and telemetry envelope signals for a subsystem can be combined into a singe signal pair. These changes lead to simultaneous transmission and reception. Other options include the use of part of the slave circuit design in the master in the event that only one source of telemetry data is used, modifications to enable the slave to be unpowered while the master is powered, and an alternative design that calls for LM119A comparators to increase the speed of the network beyond that achievable with LM139A comparators.
This work was done by Kenneth W. Wagner of Goddard Space Flight Center. GSC-13926

