A method of removing endotoxins and other biologically active organic compounds from the surfaces of solid objects is based on exposure of the objects to monatomic oxygen generated in oxygen plasmas. The mon- atomic oxygen reacts strongly and preferentially with the organic contaminants to form volatile chemical species. The method was developed especially for removing such contaminants as lipopolysaccharides, proteins, lipids, and other biologically active contaminants from surfaces of orthopedic implants prior to sterilization and implantation; if not removed, these con- taminants can contribute to inflammation that sometimes necessitates the surgical removal of the implants.

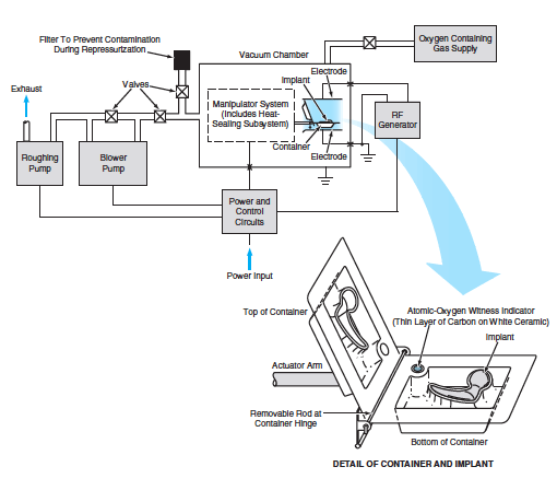
The apparatus used to implement this method includes a vacuum chamber, a radio-frequency (RF) generator connected to electrodes in the chamber for generating a plasma, and a manipulator system (see figure). Included in the manipulator system are a special thermoplastic container for positioning one or more implant(s) or other object( s) for exposure to monatomic oxygen from the plasma, an actuator arm for manipulating the container, and a subsystem for heat-sealing the implant( s) or other object(s) in the container after treatment.
At the beginning of a typical operational sequence, an implant to be decontaminated is placed in the special container and the container is positioned in the vacuum chamber to expose both the top surface of the implant and the inner surface of the top of the container to the plasma. The chamber is evacuated, then backfilled with air, oxygen, or a gaseous mixture that includes oxygen, at a pressure between 0.1 and 300 millitorr (between 0.013 and 40 Pa). The RF power is turned on to generate a plasma in the backfill gas. Volatile species formed by oxidation of contaminants become dispersed in the vacuum chamber and are simply removed by the vacuum-chamber pump system.
After the top surface of the implant and the inner surface of the top of the container have been exposed to the plasma long enough to ensure decontamination, the manipulator system, which closes the container and prevents uncontrolled rolling of the implant, withdraws the container into a chute, flips the container upside-down, pushes the container back out of the chute, and reopens the container; as a result, the former bottom surface of the implant and the former bottom inside surface of the container are now on top and are exposed to the plasma, while the decontaminated former top surface of the implant is now on the bottom, resting on the decontaminated inside surface of the former top of the container.
After sufficient exposure to the plasma to ensure decontamination, the manipulator system again closes the container and withdraws it into the chute. Then the RF power is turned off, and the implant, with its container, is either vacuum sealed or the pumping system is turned off and ambient air, nitrogen, or inert gas is readmitted to the chamber through filters that prevent recontamination of the implant and container. The container with the implant inside is heat sealed by moving into the heat-sealing subsystem, where the top and bottom parts of the container are clamped at the perimeter and partially melted to seal the implant inside, where it is surrounded by, and in contact with, container surfaces that have been decontaminated. As thus packaged, the decontaminated implant can be stored, transported, and/or sterilized by exposure to gamma rays.
This work was done by Bruce A. Banks of Glenn Research Center and Michael A. Banks and Eric B. Banks.
Inquiries concerning rights for the commercial use of this invention should be addressed to NASA Glenn Research Center, Commercial Technology Office, Attn: Steve Fedor, Mail Stop 4–8, 21000 Brookpark Road, Cleveland, Ohio 44135. Refer to LEW-16871.

