Stories
61
0
0
0
Briefs: Motion Control
Energy savings is one of the key ingredients in reducing costs for any manufacturing operation. A simple, but very effective, way to save energy is by making fans run more...
Briefs: Electronics & Computers
A simple technique has been devised to reduce the number of lead wires needed to connect an array of thermocouples to the instruments (e.g., voltmeters) used to read their output voltages....
Briefs: Electronics & Computers
Devices that look and function much like conventional zippers on clothing have been proposed as connectors for flexible electronic circuits. Heretofore, flexible electronic circuits have...
Briefs: Electronics & Computers
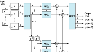
Novel architectures based on parallel subconvolution frequency-domain filtering methods have been developed for modular processing rate reduction of discrete-time pulse-shaping filters. Such...
Briefs: Electronics & Computers
ModalMax is a very innovative means of harnessing the vibration of a piezoelectric actuator to produce an energy efficient low-profile device with high-bandwidth high-fidelity audio response. The...
Briefs: Electronics & Computers
The figure depicts a solar photovoltaic power station in which ultracapacitors, rather than batteries, are used to store energy. Developments in the semiconductor industry have reduced...
Briefs: Electronics & Computers
Parallel Subconvolution Filtering Architectures
These architectures are based on methods of vector processing and the discrete Fourier transform/inverse discrete Fourier transform (DFT-IDFT) overlap and save method, combined with time-block separation of digital filters into frequency-domain subfilters implemented by use of sub-convolutions. The...
Briefs: Software
Time Analyzer For Time Synchronization and Monitor of the Deep Space Network
A software package has been developed to measure, monitor, and archive the performance of timing signals distributed in the NASA Deep Space Network. Timing signals are generated from a central master clock and distributed to over 100 users at distances up to 30 kilometers....
Briefs: Software
Program for Computing Albedo
Simple Thermal Environment Model (STEM) is a FORTRAN-based computer program that provides engineering estimates of top-of-atmosphere albedo and outgoing long-wave radiation (OLR) for use in analyzing thermal loads on spacecraft near Earth. The thermal environment of a spacecraft is represented in STEM as consisting of...
Briefs: Software
Integrated Software for Analyzing Designs of Launch Vehicles
Launch Vehicle Analysis Tool (LVA) is a computer program for preliminary design structural analysis of launch vehicles. Before LVA was developed, in order to analyze the structure of a launch vehicle, it was necessary to estimate its weight, feed this estimate into a program to obtain...
Briefs: Software
Abstract-Reasoning Software for Coordinating Multiple Agents
A computer program for scheduling the activities of multiple agents that share limited resources has been incorporated into the Automated Scheduling and Planning Environment (ASPEN) software system, aspects of which have been reported in several previous NASA Tech Briefs articles. In the...
Briefs: Software
Software Searches for Better Spacecraft-Navigation Models
ADAPT is a computer program that searches for better mathematical models for spacecraft navigation. The task of tuning trajectory-determination models for interplanetary navigation is complex, requiring an intensive search of multiple dynamical and nondynamical models that yield trajectory...
Briefs: Software
Software for Partly Automated Recognition of Targets
The Feature Analyst is a computer program for assisted (partially automated) recognition of targets in images.This program was developed to accelerate the processing of high-resolution satellite image data for incorporation into geographic information systems (GIS). This program creates an...
Briefs: Physical Sciences
Figure 1 depicts some aspects of an apparatus and method for automated serial sectioning of a specimen of a solder, aluminum, or other relatively soft opaque material. The apparatus includes a...
Briefs: Materials
Burn-Resistant, Strong Metal-Matrix Composites
Ceramic particulate fillers increase the specific strengths and burn resistances of metals: This is the conclusion drawn by researchers at Johnson Space Center's White Sands Test Facility. The researchers had theorized that the inclusion of ceramic particles in metal tools and other metal objects used...
Briefs: Materials
An experimental investigation has shown that by (1) vacuum plasma spraying (VPS) of suitable refractory metal alloys on graphite mandrels, and then (2) heat-treating the VPS alloy...
Briefs: Materials
Antistatic Polycarbonate/Copper Oxide Composite
A composite material consisting of polycarbonate filled with copper oxide has been found to be suitable as an antistatic material. This material was developed to satisfy a requirement for an antistatic material that has a mass density less than that of aluminum and that exhibits an acceptably low...
Briefs: Materials
Stable, Thermally Conductive Fillers for Bolted Joints
A commercial structural epoxy [Super Koropon (or equivalent)] has been found to be a suitable filler material for bolted joints that are required to have large thermal conductances. The contact area of such a joint can be less than 1 percent of the apparent joint area, the exact value depending...
Briefs: Manufacturing & Prototyping
Improved Process for Fabricating Carbon Nanotube Probes
An improved process has been developed for the efficient fabrication of carbon nanotube probes for use in atomic-force microscopes (AFMs) and nanomanipulators. Relative to prior nanotube tip production processes, this process offers advantages in alignment of the nanotube on the cantilever and...
Briefs: Manufacturing & Prototyping
A container designed for storing samples of hazardous material features a double wall, part of which is sacrificed during an explosion-welding process in which the container is sealed and...
Briefs: Mechanical & Fluid Systems
Booms and other structures consisting mainly of thin spring strips are undergoing development. These structures are designed to be lightweight, to be compactly stowable, and to be capable of springing to...
Articles: Motion Control
Force/Torque (F/T) sensors are critical components of robotic applications in electrical and mechanical assembly, product testing, material handling, and many other applications. A sensor system helps robots verify...
Briefs: Motion Control
The first step of pattern matching always includes a learning process. A “gold” master is used to create a template. This template is used for identification purposes on all...
Briefs: Electronics & Computers
A proposed safety system would effect an inhibitory action when- ever a power tool was aimed in a direction outside a prescribed range of allowable directions. The power tool could be a...
Top Stories
Blog: Electronics & Computers
The Kitchen Tech Hack Aiming to Revolutionize 3D Printing
Blog: Green Design & Manufacturing
Beyond Lithium: The Rise of Calcium-Ion Energy Storage
INSIDER: Design
These Robots Are Born to Run — And Never Die
INSIDER: Design
Programmable Lego-Like Material Emulates Life’s Flexibility
Podcasts: Software
How the F-22 Is Getting Software Updates Faster Than Ever
Quiz: Aerospace
Webcasts
Podcasts: Software
How Modular Computing Is Accelerating Modern Defense Technology
Webinars: Automotive
Driving Reliability: Simulation Driven EMI Techniques for Modern Vehicle...
Editorial Webinars: Aerospace
Smarter Aerospace Manufacturing & Design with Digital Twins and Agentic AI
Webinars: Materials
Superior Environmental Protection with Ultra-Thin Parylene and Multilayer...
Webinars: RF & Microwave Electronics
Where Time and Frequency Converge: Multi-Channel RF Analysis for Radar and...
Webinars: Manufacturing & Prototyping
The Over-Engineering Trap: Aligning Custom Equipment Specs with Operational...

