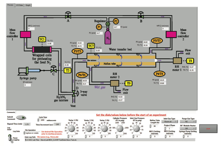
This innovation provides the user with autonomous on-screen monitoring, embedded computations, and tabulated output for two new processes. The software was originally written for the Continuous Lunar Water Separation Process (CLWSP), but was found to be general enough to be applicable to the Lunar Greenhouse Amplifier (LGA) as well, with minor alterations. The resultant program should have general applicability to many laboratory processes (see figure).

The goal of the CLWSP research project is to design, build, and test a new method to continuously separate, capture, and quantify water from a gas stream. The application is any In-Situ Resource Utilization (ISRU) process that desires to extract or produce water from lunar or planetary regolith. The present work is aimed at circumventing current problems and ultimately producing a system capable of continuous
operation at moderate temperatures that can be scaled over a large capacity range depending on the ISRU process.
The goal of the LGA research project is to design, build, and test a new type of greenhouse that could be used on the moon or Mars. The LGA uses super greenhouse gases (SGGs) to absorb long-wavelength radiation, thus creating a highly efficient greenhouse at a future lunar or Mars outpost. Silica-based glass, although highly efficient at trapping heat, is heavy, fragile, and not suitable for space greenhouse applications. Plastics are much lighter and resilient, but are not efficient for absorbing long-wavelength infrared radiation and therefore will lose more heat to the environment compared to glass. The LGA unit uses a transparent polymer “antechamber” that surrounds part of the greenhouse and encases the SGGs, thereby minimizing infrared losses through the plastic windows.
With ambient temperatures at the lunar poles at –50 °C, the LGA should provide a substantial enhancement to currently conceived lunar greenhouses. Positive results obtained from this project could lead to a future large-scale system capable of running autonomously on the Moon, Mars, and beyond.
The software for both applications needs to run the entire units and all subprocesses; however, throughout testing, many variables and parameters need to be changed as more is learned about the system operation. The software provides the versatility to permit the software operation to change as the user requirements evolve.
This work was done by Stephen Perusich, Thomas Moss, and Anthony Muscatello of Kennedy Space Center. KSC-13539

