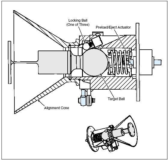
A proposed docking mechanism would form a ball-and-socket joint in the docked condition. The mechanism could tolerate significant initial misalignment because it would include an alignment cone that would guide the ball into the socket. Like other ball-and-socket joints, the joint would have three rotational degrees of freedom. This docking mechanism would be a successor to the one described in "Passive Capture Joint With Three Degrees of Freedom" (MFS-31146), NASA Tech Briefs, Vol. 22, No. 7 (July 1998), page 65. It would contain most of the components of the prior mechanism, plus some additional components that would expand its capabilities.
Like the prior mechanism, the proposed mechanism would comprise two assemblies, which are now denoted the target ball assembly and the socket assembly (see figure). Each assembly would be a part of one of the two vehicles or other objects to be docked with each other. As before, the socket assembly would contain all the moving parts except the target ball. The socket would include the alignment cone, which would taper down to a central cylindrical bore ending in a cup. The bore and cup would be dimensioned to receive the target ball.
As before, the socket assembly would include three locking balls, smaller than the target ball, that would reside in cylindrical holes that would be bored at an angle to the cylindrical axis and that would penetrate the wall of the central cylindrical bore. As before, the locking balls would be spring-loaded against hard stops on a ring and the geometry of the ring and holes would be such as to allow the balls to intrude part way into the central cylindrical bore.
When the target ball was inserted in the socket and pushed toward the cup, it would push the locking balls out of the way, against their spring loads. As the target ball came to a stop in the cup, the springs would once again push the locking balls inward against their hard stops, so that the locking balls would intrude into the cavity behind the target ball. After this, any attempt to pull the target ball out of the socket would cause the target ball to push the locking balls against their hard stops. The angles of the various surfaces in contact would be such that the net forces would not push the locking balls out of the way and, instead, would lock the balls in place even harder. Thus, the target ball could not be pulled out of the socket.
The proposed mechanism would include a preload/ejection actuator that was not part of the prior docking mechanism. Once the target ball was latched in behind the locking balls, this actuator would push a spring axially against the target ball to preload it against the locking balls and thereby eliminate any axial play in the ball joint. Like the prior mechanism, the proposed mechanism would include an unlocking actuator that would move the hard stops away from the locking balls to make it possible for the target ball to push the locking balls out of the way and move out of the socket. Once the locking balls were unlocked by the unlocking actuator, the preload/ejection actuator would push the target ball out of the socket.
This work was done by Richard Cloyd and Tom Bryan of Marshall Space Flight Center.
This invention is owned by NASA, and a patent application has been filed. For further information, contact Sammy Nabors, MSFC Commercialization Assistance Lead, at

