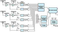
The figure schematically illustrates an instrument designed expressly for recording lightning-induced transient voltages on power and signal cables. The principal advantage of this instrument over previously available transient-voltage recorders is high speed, as explained below.
Transient voltages generated by large electric motors and switching of power equipment consist primarily of spectral components well below a frequency of 1 MHz. Most commercial transient-voltage recorders can detect and record such transients. However, transients induced by lightning feature voltage peaks with rise times of fractions of a microsecond; in other words, they contain significant spectral components above 1 MHz. Commercial transient-voltage recorders do not respond rapidly enough to measure and record lightning-induced transients accurately.
The present transient-voltage recorder samples transient voltages in four channels at a rate of 20 MHz. The instrument can handle a peak input potential of 50 V, or more if an attenuator is used.
A microprocessor controls the operation of the instrument. A trigger circuit continuously monitors the signals on all four channels, comparing the signal level on each channel with a predetermined threshold level. The threshold for each channel can be set at any level from 5 to 95 percent of full scale, independently of the threshold levels for the other channels. When the signal level in any channel exceeds its threshold level, a trigger signal is generated, causing full recording of data to begin simultaneously on all four channels.
Even when data are not being recorded fully, the analog-to-digital (A/D) converters in the four channels operate continuously, temporarily storing their output data in first-in/first-out (FIFO) memory circuits that are always kept half full. When a trigger signal is received, the remaining halves of the FIFO memories are filled up with data. Inasmuch as the full capacity of each FIFO memory corresponds to an observation interval of 200 µs, this arrangement provides a 100-µs pretrigger recording capability. Once a transient has been thus recorded, the data are transferred to a nonvolatile random-access memory (RAM). The instrument is then rearmed for triggering within 400 µs to record subsequent transients; such a rapid-rearming capability is necessary because a lightning strike can generate multiple transients at intervals of a few milliseconds.
The instrument is equipped with a clock, and the stored data are time-coded, not only to establish the times of transients but also to facilitate correlation with data on the same transients measured by other instruments. Data on as many as 15 transients can be stored in the RAM. The data are retrieved from the nonvolatile RAM, either locally by use of a portable computer and a standard interface circuit, or remotely through a modem. The instrument is normally powered through an ordinary ac power line but also contains batteries to enable it to operate as long as 16 hours in case of ac-power failure. The nonvolatile RAM retains its data even when the batteries have been depleted.
This work was done by Howard James Simpson and Pedro J. Medelius formerly of I-NET, Inc., for Kennedy Space Center. No further documentation is available.
Inquiries concerning rights for the commercial use of this invention should be addressed to
the Technology Programs and Commercialization Office
Kennedy Space Center; (407) 867-2544
Refer to KSC-11991

