With the rapid expansion of available sensor elements driven by the growth of MEMS (microelectromechanical systems) sensors, the considerations of sensor interface design become ever more important. The design engineer needs to understand both the sensor as well as the application in order to make the proper design tradeoffs in this already tricky art of analog front-end design. The challenge is further compounded with the trend toward MEMS technologies and their inherently smaller signals. This article attempts to cover some of the basics of sensor interface design and gives a cursory overview of the challenges and trade-offs of the possible approaches.
It's Not Just a Resistor
Fundamentally, every sensor can be modeled as a simpler component, albeit a component with a value that changes over time. Usually this means we can treat them as either a simple passive impedance, such as a resistance, capacitance, or inductance, or as an active source, such as a current or voltage source.
As these values change with time, we need to be able to convert that change into a time-varying voltage. Furthermore, we need to maintain the linearity of the sensor while we do this. Hopefully, the sensor of choice is linear to begin with, but even if it's not, we don't want to make it any worse. Parasitic components in the measurement topology can have huge effects on the linearity.
Impedance and Bridging
The choice of the analog front end depends on many factors, but the first is the impedance of the sensor. To effectively measure a sensor, the front end must not "load" the sensor. It's common to think we can just plug a sensor into an ADC (analog-to-digital converter), but what if the sensor is a small-value capacitor, with a large equivalent resistance (i.e. the magnitude of the impedance at the frequency of interest)? ADCs (or voltage pre-amps, scopes, meters, etc.) have large input impedances themselves and, being in parallel, will load the sensor, reduce the sensitivity, and impair the linearity. Figure 1 shows elementary circuit topologies for measuring large and small impedance components.
One of the problems with these "single-ended" topologies is that they can have huge dynamic range. It's easy to mistakenly drive the voltage (in Figure 1(a), for example) to the supply rails with the wrong choice of drive current. It would be nice to balance the output voltage in between the rails.
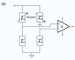
The next decision is to choose whether to use a bridge topology, the simplest of which is a half-bridge, shown in Figure 2 (a). Here we use a pair of similarly valued components in series, forming a voltage divider:

The current through them is common so the voltage between them will be at the midpoint of the supply. Thus, small changes in Zs will cause small changes in the mid-point voltage. The same is true for the dual case where we measure currents, as shown in Figure 2(b).
The benefit of this method is the balancing of the voltage (or current) between the limits. The detriment is that large swings in the sensor impedance introduce non-linearities because the midpoint voltage of the voltage divider will approach the rails asymptotically, not linearly, for large changes in Zs.
Parasites and Noise
Every component has "parasitic" terms. A real wire has resistance (usually small) and capacitance (sometimes not small); inductors have series resistance, and voltage sources have non-zero output impedance. While most of the time we can ignore these parasitics, especially in moderate frequency digital systems, they often become the limiting factor for sensor measurements.
For example, consider the sensor Zs shown in Figure 3. There we have added some very common wire-to-wire parasitic terms: CP1, CP2, and CP3, CP1, and CP3 show up anytime one measures a sensor that is off-chip from the pre-amp, and could be due to trace-to-ground or wirebond-toground proximity. These terms can either shunt carrier current away from the sensor (CP3) or shunt measured current away from the pre-amp (CP1). Either way, one ends up losing signal (i.e. sensitivity) from the sensor. Proper choice of the source and meter can often reduce these effects significantly.
A half bridge circuit typically provides a voltage relative to ground; however, it's likely that external interference will find its way into your signals' lines, even with proper choices of sources and meters. The solution is a differential configuration. Figure 4 shows how one can carry one signal on two wires with opposite polarity. By using two sensors, Zs1 and Zs2, oriented with opposite sensitivity, each wire will contain the same measurement but with opposite sign, creating a differential mode signal. Interference will affect both wires equally, applying the same signal to each, resulting in a common mode signal. The end result, called common mode rejection, is that subtracting the two leads will cancel the interference and add the desired signal.
Noise is the bane of analog designers. Ultimately, every signal and every measurement is limited by noise and the forethought one puts into preventing it usually will be rewarded.
Noise can be broken down into two categories: interference and natural noise. The typical 60-cycle AC or "mains" hum is technically interference and not noise. The same goes for RF or motor noise that one often sees on a scope or spectrum analyzer. These are all cases of EMI (electromagnetic interference). No matter how difficult it is to eliminate this noise, it is at least theoretically possible to protect or isolate a circuit and to eliminate all of it.
This is not possible with natural noise. True noise, given such names as thermal, flicker, shot, and even popcorn noise, is caused by the underlying physics of transporting a charged particle. It will never be possible to completely eliminate such noise. With careful design, we may be able to minimize it and even to "shape" it, but one can never eliminate it.
The second fact to know about noise is the importance of the pre-amplifier. Whenever one needs to pull a small signal up out of the noise, the most important stage to focus on is the first or preamplifier stage. This stage and the excess noise that it adds is the most important because its gain will proportionately reduce the noise added by all later stages. This is shown in Figure 5, where a series of gain blocks are shown, each amplifying the result of the previous block and adding a little more noise. The excess noise added by the preamplifier dominates that of all later stages and is worth the extra effort for careful design. (It is also interesting to note two additional facts: (1) the electromechanical "power gain" of inductors and capacitors is one, by definition; and (2) that capacitors and inductors are intrinsically noiseless components, generating no noise. For inductors with large parasitic resistance, this will not be true; however, for decent capacitors it is not a bad assumption. Thus, in Figure 5, Gsen is one, and Nsen is zero for ideal capacitors and inductors.)
One solution to the general problem of choosing a sensor interface is to find companies that specialize in analog interface design. Sensor Platforms offers standard products, such as sensor interface ASICs, that speak analog on the front end and digital on the back end, as well as Application Specific Standard Product (ASSP) design services to design ASICs to customer specifications.
The field of analog design has always been a tough field, requiring many years of experience. Even with the advent of Spice modeling and sophisticated Extraction routines to find and simulate even smaller order terms, there is still a lot of intuition that goes into choosing the right path of an analog design. By following the principles we've discussed here, one can at least be off to a good start. Analog design is a lot like a game of chess or "Go" — it may not take long to get the basic rules, but it likely will take a long time to master. Properly choosing the correct sensor and analog front-end topology are essential to achieving good system performance.
This article was written by Dr. Kevin A. Shaw, director of business development, at Sensor Platforms Inc., San Jose, CA. For more information, contact Dr. Shaw at

