In this innovation, a digital downconverter has been created that produces a large (16 or greater) number of output channels of smaller bandwidths. Additionally, this design has the flexibility to tune each channel independently to anywhere in the input bandwidth to cover a wide range of output bandwidths (from 32 MHz down to 1 kHz). Both the flexibility in channel frequency selection and the more than four orders of magnitude range in output bandwidths (decimation rates from 32 to 640,000) presented significant challenges to be solved.
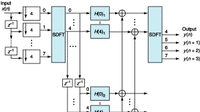
The solution involved breaking the digital downconversion process into a two-stage process. The first stage is a 2× oversampled filter bank that divides the whole input bandwidth as a real input signal into seven overlapping, contiguous channels represented with complex samples. Using the symmetry of the sine and cosine functions in a similar way to that of an FFT (fast Fourier transform), this downconversion is very efficient and gives seven channels fixed in frequency. An arbitrary number of smaller bandwidth channels can be formed from second-stage downconverters placed after the first stage of downconversion.
Because of the overlapping of the first stage, there is no gap in coverage of the entire input bandwidth. The input to any of the second-stage downconverting channels has a multiplexer that chooses one of the seven wideband channels from the first stage. These second-stage downconverters take up fewer resources because they operate at lower bandwidths than doing the entire downconversion process from the input bandwidth for each independent channel. These second- stage downconverters are each independent with fine frequency control tuning, providing extreme flexibility in positioning the center frequency of a downconverted channel. Finally, these second-stage downconverters have flexible decimation factors over four orders of magnitude.
The algorithm was developed to run in an FPGA (field programmable gate array) at input data sampling rates of up to 1,280 MHz. The current implementation takes a 1,280-MHz real input, and first breaks it up into seven 160-MHz complex channels, each spaced 80 MHz apart. The eighth channel at baseband was not required for this implementation, and led to more optimization. Afterwards, 16 second stage narrow band channels with independently tunable center frequencies and bandwidth settings are implemented. A future implementation in a larger Xilinx FPGA will hold up to 32 independent secondstage channels.
This work was done by Charles E. Goodhart, Melissa A. Soriano, Robert Navarro, Joseph T. Trinh, and Elliott H. Sigman of Caltech for NASA’s Jet Propulsion Laboratory.
The software used in this innovation is available for commercial licensing. Please contact Dan Broderick at
This Brief includes a Technical Support Package (TSP).

An Efficient, Highly Flexible Multi-Channel Digital Downconverter Architecture
(reference NPO-47431) is currently available for download from the TSP library.
Don't have an account?
Overview
The document outlines the modernization plans for the Very Long Baseline Interferometry (VLBI) Data Acquisition and Transmission (DAT) system at NASA's Jet Propulsion Laboratory (JPL). The primary motivation for this modernization is to meet the navigation requirements of the NASA Deep Space Network (DSN), enhancing system sensitivity, maintainability, accuracy, and flexibility. The modernization aims to support both DSN and non-DSN customers at various deep space network sites while ensuring compatibility with existing systems, such as the Haystack Mk5.
Key features of the planned system include a two Intermediate Frequency (IF) system capable of covering up to 500 GHz of bandwidth, with each IF having a sampling bandwidth of 640 MHz. The system will utilize an IF switch that can handle up to 10 IF inputs and will accept DSN IF input bands ranging from 100 to 600 MHz, making it suitable for S band (2.3 GHz), X band (8.4 GHz), and Ka band (31.2 GHz) operations. The modernization will leverage JPL-developed components, including an IF sampler module, the CASPER ROACH board for digital processing and channelization, and Mark5C disk recorders.
The document also highlights the importance of maintaining expertise and flexibility to accommodate modifications for internal customers and scientific experiments. It emphasizes the need to interface with the JPL Deep Space Network's monitor and control infrastructure and to develop a VEX interface layer on top of the existing system control software.
Additionally, the document discusses the operational use of the JPL IF digitizer module, which samples at 1280 MHz and is designed for spectral line work. This module features a digitally controlled built-in attenuator and is optically isolated from digital processing backends, ensuring minimal interference from spurious signals.
Overall, the modernization of the JPL VLBI DAT system represents a significant advancement in deep space communication technology, aiming to enhance the capabilities of the DSN while contributing to the broader VLBI community. The document serves as a technical support package, providing insights into the architecture and operational strategies that will drive future developments in this field.

