The key circuit elements in an LED lamp are the LEDs, the optics, the casing (including heat-sinking) and the driver. The driver now represents anywhere from 10% to 40% of total bulb cost, so selecting the right topology is crucial to delivering the most cost-optimized design. In order to achieve a long operating life, designers must carefully consider the types of components used, their circuit location and the temperature/power dissipated. Size limits are also a challenge for small bulbs.

Figure 1. Two-stage LED driver
No single-driver architecture will support every LED-lighting application. Designers must balance efficiency, efficacy and operating life, dimming capability, size, and cost to find the best solution for their target market.

The LED driver is required to deliver a highly stable constant current to the LEDs irrespective of variations in the LED characteristics or the supply voltage while complying with increasingly stringent regulations covering power factor and harmonic distortion*. The first LED driver solutions used a two-stage approach as shown in Figure 1.

Figure 2. Single-stage combined PFC and constant-current drive
Figure 1 shows the basic elements of a two-stage LED driver with a boost-PFC stage followed by a constant current driver, in this case a flyback converter. Each stage in the driver introduces losses. The boost-PFC stage would typically achieve a maximum efficiency of 95% and the constant current driver 90%, for an overall efficiency of approximately 87%. The circuit contains two inductors, two power switching MOSFETs and two controllers, all of which increase cost and take up space. If the two functions of PFC and constant-current drive were to be combined into a single stage, many fewer components would be required and efficiency could be increased. A single-stage design that combines PFC and CC is shown in Figure 2.

With only one switching stage (and reduced switching loss due to a lower average switch voltage) the single-stage driver can significantly increase efficiency whilst dramatically reducing component cost.

Figure 3. Contributors to heating in a LED lamp
The lifetime of the LEDs used in lighting applications has increased to over 50,000 hours, so this should also be the target lifetime for the driver. Long lifetime is a key performance capability of LED lamps and is used to justify the increased unit cost compared to incandescent bulbs. The enemy of lifetime in electrical circuits is heat and the ambient temperature inside the bulb can easily attain 100°C. LEDs are up to 25% efficient in converting electrical energy into light, so at least 75% of the power delivered to the LEDs is lost as heat. As the LEDs are in close proximity to the driver, much of this heat energy is coupled to the driver, adding to its own internal heating.

As figure 3 shows, the energy dissipation within the enclosed space of an LED lamp can easily lead to the driver circuit experiencing a steady-state ambient temperature of 100°C.

Figure 4. Electrolytic Capacitor Life vs. Temperature
The components that most commonly failed in early LEDdriver implementations were the primary side electrolytic bulk capacitors. It can be seen from Figure 4 that a standard “2,000-hour” rated capacitor will easily last for 90,000 hours when operated at 50°C. But at 105°C the same capacitor can suffer a significant reduction in capacitance after only 2,000 hours. In a critical circuit location, such a capacitance reduction could result in failure of the driver. Eliminating the primary- side high-voltage electrolytic bulk capacitors from the LED driver is a key benefit of single-stage topologies. Electrolytic capacitors can be retained in circuit locations such as output-ripple reduction, where their high capacitance to cost/size ratio makes them the only practical choice. Reducing capacitance as the capacitor ages in the output filter will not affect lifetime as the lamp will still operate effectively even with greatly reduced filter capacitance.

The challenges presented by TRIAC dimmers in LED lighting – which could be a whole separate article – lead to a tradeoff between single- and two-stage topologies. The two-stage converter has an inherent energy storage capability on the primary side, offering better immunity to line disturbances and tolerance to misfiring TRIAC controllers. Single-stage drivers were initially favored only for non-dimmable applications because of this. Cost and efficiency pressure is such that single-stage drivers are now widely used for dimmable applications. With more sophisticated controllers and better damper and bleeder circuits, single-stage converters are now approaching the performance of two-stage converters with respect to dimming.

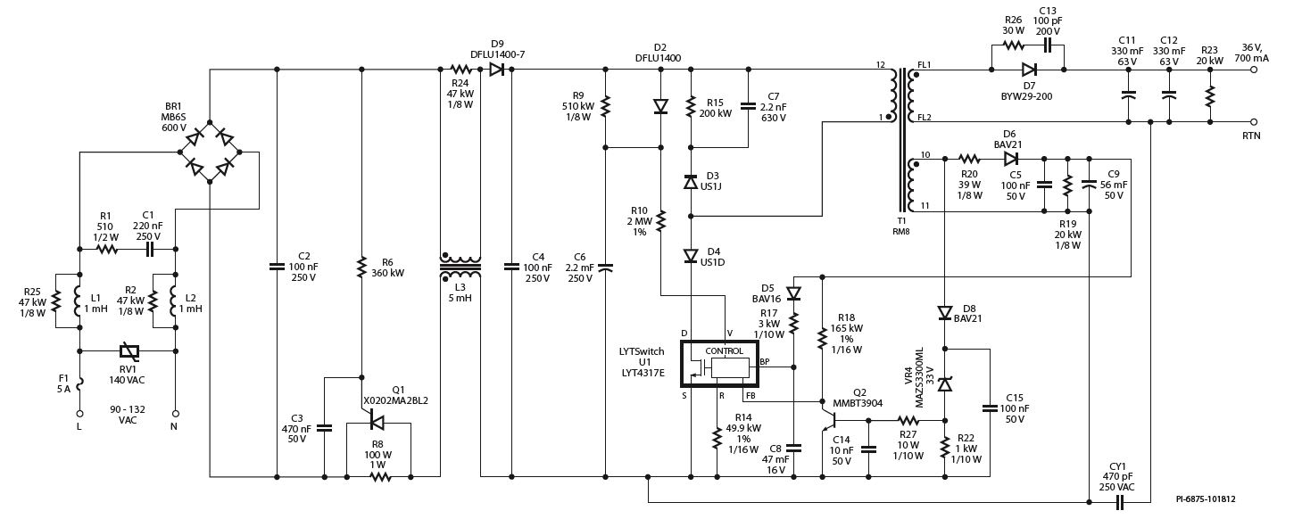
Figure 5. 20W, Isolated Flyback, TRIAC Dimmable, Power Factor Corrected (>0.98) LED Driver
Design techniques implementing a single-stage driver achieves a balance between solution cost, efficiency, size and dimmability. Figure 5 is a complete application circuit for a dimmable replacement lamp consisting of a single-stage flyback circuit using a Power Integrations (PI) LYTSwitch™ controller IC.

The LYTSwitch IC (U1) combines a PFC circuit and a constant- current output controller into a single-switching stage capable of delivering better than ±5% output current regulation. The circuit will perform with a wide range of TRIAC dimmers, easily meeting NEMA SSL6-2010 (See figure 6). It will dim to less than 5% output and will turn on in less than 500 ms at 10% brightness.

Figure 6. TRIAC Dimming Easily Meets NEMA SSL6-2010
The design does not require any high-value electrolytic capacitors at any critical nodes of the circuit but does employ them at non-lifetime-critical locations where they are most cost-effective. At these locations, a reduction in capacitance value would not affect the user perception of the output light.

An active damper circuit prevents oscillation of the TRIAC inrush current when it fires and the bleeder circuit maintains a minimum current flow through the TRIAC to maintain consistent conduction. The bleeder circuit elements (R1 and C1) ensure that the TRIAC remains in conduction throughout the required conduction period. The LYTSwitch controller IC is designed to provide a very rapid start-up (even when heavily dimmed) and presents greatly reduced start-up hysteresis to avoid pop-on. The damper and bleeder circuits are tunable, meaning efficiency can be traded off against dimmer compatibility to match the market requirement.

Populated circuit board photograph (left) and placed inside a PAR38 lamp (right)
With these features, the dimming behavior of single-stage converters can be made to closely approach the level of performance previously only achievable with two-stage designs. In many dimming applications, the single-stage topology maintains the unique advantages of high efficiency, small space, long operating life and significantly reduced component count. To the LED-driver designer, the reasons to opt for a single-stage approach look compelling.

For more information, Click Here 

REFERENCE

* IEC EN61000-3-2 Class C harmonics



Magazine cover
Lighting Technology Magazine

This article first appeared in the September, 2013 issue of Lighting Technology Magazine (Vol. 37 No. 9).

Read more articles from this issue here.

Read more articles from the archives here.