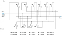
A method is provided for a radiationhardened (rad-hard) solid-state drive for space mission memory applications by combining rad-hard and commercial offthe- shelf (COTS) non-volatile memories (NVMs) into a hybrid architecture. The architecture is controlled by a rad-hard ASIC (application specific integrated circuit) or a FPGA (field programmable gate array). Specific error handling and data management protocols are developed for use in a rad-hard environment. The rad-hard memories are smaller in overall memory density, but are used to control and manage radiation-induced errors in the main, and much larger density, non-rad-hard COTS memory devices.
Small amounts of rad-hard memory are used as error buffers and temporary caches for radiation-induced errors in the large COTS memories. The rad-hard ASIC/FPGA implements a variety of error-handling protocols to manage these radiation-induced errors. The large COTS memory is triplicated for protection, and CRC-based counters are calculated for sub-areas in each COTS NVM array. These counters are stored in the rad-hard non-volatile memory. Through monitoring, rewriting, regeneration, triplication, and long-term storage, radiation-induced errors in the large NV memory are managed. The rad-hard ASIC/FPGA also interfaces with the external computer buses.
This work was done by Douglas J. Sheldon of Caltech for NASA’s Jet Propulsion Laboratory. For more information, download the Technical Support Package (free white paper) at www.techbriefs.com/tsp under the Semiconductors & ICs category. NPO-46925
This Brief includes a Technical Support Package (TSP).

Radiation-Hardened Solid-State Drive
(reference NPO-46925) is currently available for download from the TSP library.
Don't have an account?
Overview
The document discusses the development of a Radiation-Hardened Solid-State Drive (RHSSD) designed for use in space applications, particularly by NASA's Jet Propulsion Laboratory (JPL). Traditional solid-state drives (SSDs) are high-density non-volatile memory devices that serve as replacements for magnetic hard drives, with commercial SSDs currently available in capacities up to 1TB. However, standard commercial SSDs are not suitable for space due to their vulnerability to radiation.
The RHSSD aims to address this issue by integrating radiation-hardened non-volatile memory (NVM) technologies, such as CRAM (Charge-Retention Access Memory) and MRAM (Magnetoresistive Random Access Memory), with commercial off-the-shelf (COTS) NVM like Flash memory. This hybrid approach allows for a high-density, radiation-hardened storage solution that can withstand the harsh conditions of space.
Key features of the RHSSD include:
-
Rad Hard ASIC or FPGA Control: The system is controlled by a radiation-hardened application-specific integrated circuit (ASIC) or field-programmable gate array (FPGA), which enhances its resilience against radiation-induced failures.
-
Combination of Rad Hard and COTS NVM: The drive utilizes both radiation-hardened memory and commercial NVM, allowing for a balance between performance and reliability.
-
Dual Interfaces: The RHSSD employs two different interfaces to manage communication between the rad hard components and the COTS memory, optimizing data transfer and system integration.
-
Error Management Routines: Special error management protocols are implemented to mitigate radiation-induced errors in the COTS NVM, ensuring data integrity and reliability.
The document emphasizes the importance of these advancements in the context of aerospace technology, highlighting the potential for broader applications beyond space exploration. It is part of NASA's Commercial Technology Program, which aims to disseminate aerospace-related developments that have wider technological, scientific, or commercial implications.
For further inquiries or assistance regarding this technology, the document provides contact information for the Innovative Technology Assets Management at JPL. Overall, the RHSSD represents a significant step forward in creating robust storage solutions for the challenges posed by space environments.

