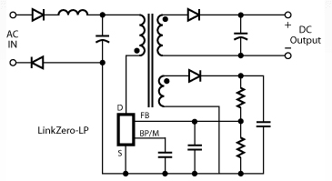
Power Integrations (San Jose, CA) offers the LinkZero-LP, an integrated offline switcher IC that automatically enters a zero-input-power mode when the load is disconnected, cutting no-load power consumption to 0.00 watts. The IC targets chargers and adapters up to 3.2 W for small portable devices including mobile phones, media players, and eBook readers.
LinkZero-LP eliminates no-load waste without a mechanical switch, using PI's patented EcoSmart™ energy-efficiency technology, in combination with a proprietary power-down mode that senses when no load is present and then disables switching of the IC's internal high-voltage MOSFET. The LinkZero-LP device automatically restarts when a load is detected.

