A heterodyne optical interferometer of a type used to measure small displacements can be augmented to suppress a phenomenon, called "self-interference," that tends to limit the achievable resolution and working distance and can even render the interferometer inoperable. The technique for suppressing self-interference can be implemented by use of commercial off-the-shelf optoelectronic and electro-optical components, and does not degrade the fundamental operation of the interferometer.

Self-interference is caused by optical scattering, imperfections in optical surfaces, and misalignment of optical components. Like many other optical interferometers, an interferometer of this type includes a target and a reference optical path. Self-interference typically manifests itself as leakage, along the reference path, of part of the optical signal power intended to propagate solely along the target path. This leakage, in turn, manifests itself as a heterodyne signal with the incorrect phase that competes against the heterodyne signal with the correct phase.
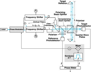
The figure schematically depicts a heterodyne interferometer configured for measuring a target path of length L. This interferometer is augmented to suppress self-interference by using phase modulation to distinguish between the leaked signal and the signal returning from the target. The following is a summary of the self-interference-suppression technique, omitting some details for the sake of brevity:
The optical carrier wave (that is, the beam coming out of the laser) is phase modulated at an angular frequency Ω before it is sent along the two paths of the interferometer. The phase modulation, by itself, is invisible to the photodetectors at the reference and target photodetectors unless it is converted, by the phase delay of one path of the interferometer relative to the other, to intensity modulation at the modulation angular frequency Ω. The self-interference signal is associated with light that does not go to the target and thus does not undergo the differential delay that would give rise to this intensity modulation.
The "good" signal is associated with the optical beam that goes to the target and thus does undergo the differential delay that gives rise to intensity modulated at angular frequency Ω. Thus, demodulation by mixing with the oscillator signal at angular frequency Ω results in discrimination against all but the "good" signal.
This work was done by Serge Dubovitsky of Caltech for NASA's Jet Propulsion Laboratory. For further information, access the Technical Support Package (TSP) free on-line at www.nasatech.com/tsp under the Electronics & Computers category.
This invention is owned by NASA, and a patent application has been filed. Inquiries concerning nonexclusive or exclusive license for its commercial development should be addressed to
the Patent Counsel
NASA Management Office–JPL (818) 354-4770.
Refer to NPO-20740.
This Brief includes a Technical Support Package (TSP).

Heterodyne Interferometer With Phase-Modulated Carrier
(reference NPO-20740) is currently available for download from the TSP library.
Don't have an account?
Overview
The document presents a technical support package from NASA detailing advancements in heterodyne interferometry, specifically focusing on a method to suppress self-interference, which limits the resolution of traditional interferometers. The invention, attributed to Serge Dubovitsky, addresses the challenges posed by parasitic leakage of optical signals, commonly referred to as "self-interference," which can degrade measurement accuracy.
Self-interference occurs when an optical signal intended for a target instead travels along the reference path due to optical imperfections, misalignment, or scattering. This phenomenon can significantly limit the resolution of heterodyne interferometers to a few nanometers. Previous techniques to mitigate self-interference have been complex and often introduced additional noise, destabilizing the interferometer's operation.
The proposed solution involves phase modulation of the optical carrier wave before it is sent through the interferometer's two paths. This phase modulation is designed to be invisible to the detectors unless it is converted into intensity modulation by the differential delay experienced by the signal returning from the target. The self-interference signal, which does not undergo this delay, does not generate intensity modulation, allowing for effective discrimination between the desired signal and the leakage.
The document outlines the configuration of the heterodyne interferometer, which includes components such as laser phase modulators, frequency shifters, and photodetectors. The phase modulation technique is highlighted as a practical and efficient method to enhance the resolution and working distance of the interferometer without degrading its fundamental operation. This approach is noted for its ease of implementation using commercial off-the-shelf components, making it a significant advancement over previous methods.
In summary, the document emphasizes the importance of this innovation in improving the precision of optical measurements, which has applications in various fields, including aerospace and materials science. The technique not only enhances measurement capabilities but also maintains the stability and reliability of the interferometer, marking a notable advancement in the field of precision sensing.

