Scanning terahertz heterodyne imaging systems are now at an early stage of development. They were recently conceived as means of probing biological specimens and samples of materials to obtain information complementary to that obtainable from imaging systems that utilize other parts of the electromagnetic spectrum (e.g., visible light or x rays). Emerging applications for scanning terahertz heterodyne imaging systems include studies of terahertz contrast mechanisms in biological samples, pump probe excitation of phonon modes in liquids and solids, studies of effects of terahertz irradiance on functions and forms of living cells, and studies of spectral signatures indicative of binding and structures of protein molecules.
Scanning terahertz heterodyne imaging systems using continuous-wave (CW) radiation offer the wide dynamic ranges and high signal-to-noise ratios characteristic of narrow-band high-spectral-resolution systems. As such, they also invite comparison with other terahertz imaging systems that utilize short-pulse time-domain spectroscopy (TDS), which is extremely powerful as a diagnostic technique but typically involves limitations in dynamic range and spectral resolution. One especially notable result of these differences is that in wet tissues, terahertz TDS systems are limited to penetration depths of the order of microns, while terahertz heterodyne systems can reach depths of the order of millimeters. Because the capabilities afforded by the terahertz heterodyne concept are partly complementary to those afforded by the terahertz short-pulse TDS concept, imaging systems based on these concepts could be used as complements to each other to obtain more information than could be obtained by use of either system alone.
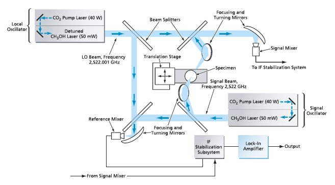
In a basic scanning terahertz heterodyne imaging system, (see Figure 1) two far-infrared lasers generate beams denoted the local-oscillator (LO) and signal that differ in frequency by an amount, denoted the intermediate frequency (IF), chosen to suit the application. The LO beam is sent directly to a mixer as one of two inputs. The signal beam is focused to a spot on or in the specimen. After transmission through or reflection from the specimen, the beams are focused to a spot on a terahertz mixer, which extracts the IF outputs. The specimen is mounted on a translation stage, by means of which the focal spot is scanned across the specimen to build up an image.
The performance of the basic scanning terahertz heterodyne imaging system is limited by a number of factors, the most prominent one being frequency instability of the lasers. The figure depicts a more complex prototype system that incorporates an IF stabilization subsystem that increases the achievable frequency stability and dynamic range. This system utilizes two mixers denoted the reference and signal mixers, and the signal from each laser is split into two beams denoted the reference and signal beams. One of the lasers is slightly detuned so that their frequencies differ by an IF between 1 and 3 MHz. The IF outputs of the two mixers are equal in frequency; however, they differ in amplitude and phase because of the loss and phase shift suffered by the signal beam that passes through the specimen and impinges on the signal mixer.
The IF output of the signal mixer becomes one of two inputs to a third mixer that is part of the IF stabilization subsystem. In a fourth mixer that is also part of the IF stabilization subsystem, the IF output of the reference mixer is mixed with a stable 14.6-MHz oscillator signal, and the resulting signal becomes the other input to the third mixer. The output of the third mixer and thus the output of the IF stabilization subsystem is a signal that has a stable frequency of 14.6 MHz but exhibits variations in amplitude and phase according to the loss and phase shift of the signal beam passing through the specimen. An improved system with and IF of 24 GHz has now been completed with a dynamic range of 100 dB (Figure 2), 100 pixels/second, and penetration of 25 mm.
This work was done by Peter Siegel and Robert Dengler of Caltech for NASA's Jet Propulsion Laboratory. For more information, download the Technical Support Package (free white paper) at www.techbriefs.com/tsp under the Electronics/Computers category.
In accordance with Public Law 96-517, the contractor has elected to retain title to this invention. Inquiries concerning rights for its commercial use should be addressed to:
Innovative Technology Assets Management
JPL
Mail Stop 202-233
4800 Oak Grove Drive
Pasadena, CA 91109-8099
(818) 354-2240
E-mail: This email address is being protected from spambots. You need JavaScript enabled to view it.
Refer to NPO-40474, volume and number of this NASA Tech Briefs issue, and the page number.
This Brief includes a Technical Support Package (TSP).

Scanning Terahertz Heterodyne Imaging Systems
(reference NPO-40474) is currently available for download from the TSP library.
Don't have an account?
Overview
The document is a Technical Support Package from NASA's Jet Propulsion Laboratory (JPL) detailing the Scanning Terahertz Heterodyne Imaging Systems, identified by NTR Number 40474. This innovative technology represents the first example of a terahertz (THz) heterodyne imager, developed to address the need for high-resolution imaging with deep penetration capabilities, particularly for assessing biological impacts. The project was motivated by the necessity to explore the applications of terahertz technology in biomedical imaging and sensing.
The document outlines the novelty of the THz heterodyne imager, emphasizing its potential to provide detailed imaging that can penetrate various materials, making it suitable for a range of applications, including medical diagnostics and biological research. The development of this technology was supported by a joint grant from NASA and the National Institutes of Health (NIH), highlighting its significance in advancing scientific research.
Included in the document are references to various studies and papers that provide further context and validation for the technology. Notable references include works by Peter H. Siegel and others, discussing terahertz technology and its applications in imaging and sensing. The document also lists several technical papers and conference proceedings that contribute to the understanding of THz technology and its capabilities.
The Technical Support Package serves as a resource for those interested in the commercial and scientific applications of terahertz technology, providing contact information for further inquiries and assistance through NASA's Innovative Partnerships Program. It emphasizes the importance of compliance with U.S. export regulations, indicating that the information may contain proprietary data.
Overall, the document encapsulates the advancements in terahertz imaging technology, showcasing its potential to revolutionize imaging techniques in various fields, particularly in biomedical applications. It highlights the collaborative efforts between NASA and NIH in fostering innovation and the broader implications of this technology for scientific and commercial use.

