Engineers at NASA's Dryden Flight Research Center have received a patent on an emergency flight-control method implemented by a propulsion-controlled aircraft (PCA) system. Utilizing the pre-existing auto-throttle and engine-pressure-ratio trim controls of the airplane, the PCA system provides pitch and roll control for landing an airplane safely without using aerodynamic control surfaces that have ceased to function because of a primary-flight- control-system failure. The installation of the PCA does not entail any changes in pre-existing engine hardware or software. [Aspects of the method and system at previous stages of development were reported in "Thrust-Control System for Emergency Control of an Airplane" (DRC-96-07), NASA Tech Briefs, Vol. 25, No. 3 (March 2001), page 68 and "Emergency Landing Using Thrust Control and Shift of Weight" (DRC-96-55), NASA Tech Briefs, Vol. 26, No. 5 (May 2002), page 58.]
Aircraft flight-control systems are designed with extensive redundancy to ensure low probabilities of failure. During recent years, however, several airplanes have exhibited major flight-control-system failures, leaving engine thrust as the last mode of flight control. In some of these emergency situations, engine thrusts were successfully modulated by the pilots to maintain flight paths or pitch angles, but in other situations, lateral control was also needed. In the majority of such control-system failures, crashes resulted and over 1,200 people died.
The challenge lay in creating a means of sufficient degree of thrust-modulation control to safely fly and land a stricken airplane. A thrust-modulation control system designed for this purpose was flight-tested in a PCA — an MD-11 airplane. The results of the flight test showed that without any operational control surfaces, a pilot can land a crippled airplane (U.S. Patent 5,330,131). The installation of the original PCA system entailed modifications not only of the flight-control computer (FCC) of the airplane but also of each engine-control computer. Inasmuch as engine-manufacturer warranties do not apply to modified engines, the challenge became one of creating a PCA system that does not entail modifications of the engine computers.
The present PCA system, discussed in U.S. Patents 6,102,330 and 6,041,273, provides longitudinal and lateral (pitch and roll) control, effected solely by modifications of the software of pre-existing flight-control computers, and without any changes in the engine controller or any hardware changes in the cockpit. In the event of a failure in the primary-flight-control system, the engines can be used to dampen unwanted motion, enabling a safe landing. This method eliminates the longitudinal- and roll-control tasks. The combination of the teachings of the two patents enables a pilot to align airplane with a runway and land in a normal fashion.

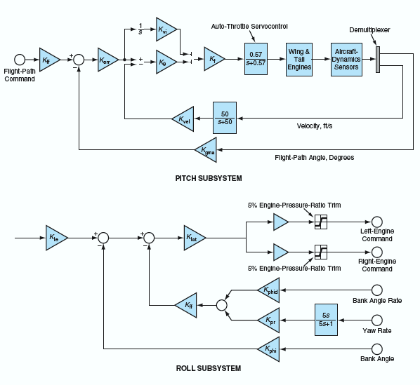
The upper part of Figure 1 shows a pitch- (or flight- path-angle) command subsystem that utilizes feedback from a velocity sensor and a flight-path angle (g) sensor. The pilot controls an auto-throttle propulsion subsystem by use of a thumbwheel. The signals from this pitch- (or flight-path-angle) command subsystem drive an auto-throttle servo-control forward or backward, thereby causing the engines to increase or decrease thrust, and thereby further controlling the pitch of the airplane. This control action keeps the phugoid mode well damped. Auto-throttle systems are already installed in many multi-engine aircraft, eliminating the need for hardware changes to take advantage of this control action.
The lower part of Figure 1 shows a roll/lateral-axis command subsystem that enables the pilot to turn or roll the airplane down to the runway. The signal that drives the roll-control subsystem comes from a heading knob in the cockpit. By combining the subsystems of Figure 1, one obtains a total PCA system that can be installed and operated without need to modify engine hardware or software. The benefits of utilizing this PCA system include smaller (in comparison to a system that involves engine modifications) development costs and continued viability of the original engine warranties.

The combination of the pitch and roll subsystems of Figure 1 enables a pilot to control a crippled airplane in a manner comparable to that of landing a healthy airplane. Figure 2 shows some expected responses of a wide body airplane flown with engines-only control by use of the PCA system. The auto-throttle emergency PCA system controls the airplane with good damping of pitching motion. The flight-path angle pitches up 1° and tracks the command very well. The thrust is increased and decreased automatically to control the pitching motion. At the same time, the roll angle is commanded to 10° to the right: The roll angle is made to go to 10° in a time of ≈20 s by use of lateral engine pressure-ratio trim control, with an increase in power of the left engine and a decrease in power of the right engine.
This work was done by Gray Creech, John J. Burken, and Bill Burcham of Dryden Flight Research Center. For further information, access the Technical Support Package (TSP) free on-line at www.techbriefs.com/tsp under the Machinery/Automation category.
This invention has been patented by NASA (U.S. Patent No. 6,102,330). Inquiries concerning nonexclusive or exclusive license for its commercial development should be addressed the Patent Counsel, Dryden Flight Research Center; (805) 258-3720. Refer to DRC-97-21.
This Brief includes a Technical Support Package (TSP).

Advances in thrust-Based Emergency Control of an Airplane
(reference DRC-97-21) is currently available for download from the TSP library.
Don't have an account?
Overview
The document titled "Advances in Thrust-Based Emergency Control of an Airplane" is a Technical Support Package provided by the Dryden Flight Research Center, part of NASA. It is identified as DRC-97-21 and is included in NASA Tech Briefs, which disseminate significant aerospace-related developments with broader technological, scientific, or commercial implications.
The primary focus of this document is on innovative methods for emergency control of aircraft using thrust-based techniques. These advancements are crucial for enhancing the safety and reliability of aircraft operations, particularly in emergency situations where traditional control methods may be insufficient. The thrust-based control approach aims to provide pilots with more effective means to manage aircraft during critical phases, potentially improving outcomes in scenarios such as engine failure or other in-flight emergencies.
The Technical Support Package serves as a comprehensive resource, compiling relevant documentation and findings associated with the thrust-based control methods. It is designed to facilitate the understanding and application of these technologies by various stakeholders, including researchers, engineers, and industry professionals. The information is part of NASA's efforts to promote the commercialization of aerospace technologies and to share knowledge that can lead to advancements in aviation safety and performance.
Additionally, the document emphasizes the importance of collaboration and further research in this area. It encourages interested parties to seek additional information through the NASA Scientific and Technical Information (STI) Program Office, which provides access to a wide range of publications and resources related to aerospace research and technology.
The document also includes a disclaimer regarding the use of the information contained within it, clarifying that the United States Government and its representatives do not assume liability for any consequences arising from its application. It notes that any trade names or manufacturers' names mentioned are for identification purposes only and do not imply official endorsement by NASA.
In summary, this Technical Support Package outlines significant advancements in thrust-based emergency control systems for aircraft, aiming to enhance safety and operational effectiveness in critical situations. It serves as a valuable resource for those involved in aerospace research and development, promoting the dissemination of innovative technologies within the industry.

