Stories
61
0
0
0
Articles: Photonics/Optics
The advantages of cladding pumping fiber lasers were identified early in the research era of fiber laser technology. Essentially, fiber lasers allow efficient brightness conversion from the broad area pump laser diode into a...
Briefs: Software
Program for User-Friendly Management of Input and Output Data Sets
A computer program manages large, hierarchical sets of input and output (I/O) parameters (typically, sequences of alpha- numeric data) involved in computational simulations in a variety of technological disciplines. This program represents sets of parameters as structures coded in...
Briefs: Photonics/Optics
A proposed method of implementing cross connections in an optical communication network is based on the use of a spatial light modulator (SLM) to form controlled diffraction patterns that...
Briefs: Physical Sciences
A method of processing digital image data to detect edges includes the use of fuzzy reasoning. The method is completely adaptive and does not require any advance knowledge of an image.
Briefs: Software
Software for Acquiring Image Data for PIV
PIV Acquisition (PIVACQ) is a computer program for acquisition of data for particle- image velocimetry (PIV). In the PIV system for which PIVACQ was developed, small particles entrained in a flow are illuminated with a sheet of light from a pulsed laser. The illuminated region is monitored by a...
Briefs: Software
Organizing Diverse, Distributed Project Information
SemanticOrganizer is a software application designed to organize and integrate infor- mation generated within a distributed organ- ization or as part of a project that involves multiple, geographically dispersed collaborators. Semantic- Organizer incorporates the capa- bilities of database...
Briefs: Software
Eigensolver for a Sparse, Large Hermitian Matrix
A parallel-processing computer program finds a few eigenvalues in a sparse Hermitian matrix that contains as many as 100 million diagonal elements. This program finds the eigenvalues faster, using less memory, than do other, comparable eigensolver programs. This program implements a Lanczos algorithm...
Briefs: Software
Modified Polar-Format Software for Processing SAR Data
HMPF is a computer program that implements a modified polar-format algorithm for processing data from spaceborne synthetic-aperture radar (SAR) systems. Unlike prior polar-format processing algorithms, this algorithm is based on the assumption that the radar signal wavefronts are spherical...
Briefs: Software
e-Stars Template Builder
e-Stars Template Builder is a computer program that implements a concept of enabling users to rapidly gain access to information on projects of NASA’s Jet Propulsion Laboratory. The information about a given project is not stored in a data base, but rather, in a network that follows the project as it develops. e-Stars...
Briefs: Software
Software for Acoustic Rendering
SLAB is a software system that can be run on a personal computer to simulate an acoustic environment in real time. SLAB was developed to enable computational experimentation in which one can exert low-level control over a variety of signalprocessing parameters, related to spatialization, for conducting psycho-...
Briefs: Materials
Functionally Graded Nanophase Beryllium/Carbon Composites
Beryllium, beryllium alloys, beryllium carbide, and carbon are the ingredients of a class of nanophase Be/Be2C/C composite materials that can be formulated and functionally graded to suit a variety of applications. In a typical case, such a composite consists of a first layer of either pure...
Briefs: Materials
Thermal-insulation blankets of a proposed type would be exceptionally thin and would endure temperatures up to 2,100 °C. These blankets were originally intended to protect components...
Briefs: Physical Sciences
Foam Sensor Structures Would Be Self-Deployable and Survive Hard Landings
A document proposes systems of sensors encased in cold hibernated elastic memory (CHEM) structures for exploring remote planets. The CHEM concept was described in two prior NASA Tech Briefs articles, including “Cold Hibernated Elastic Memory (CHEM) Expandable Structures”...
Briefs: Physical Sciences
Real-Gas Effects on Binary Mixing Layers
This paper presents a computational study of real-gas effects on the mean flow and temporal stability of heptane/ nitrogen and oxygen/ hydrogen mixing layers at supercritical pressures. These layers consist of two counter- flowing free streams of different composition, temperature, and density. As in related...
Briefs: Physical Sciences
Conventional commercial spectrometers or spectrophotometers are usually able to measure optical spectrum from a specified surface area at one point....
Briefs: Physical Sciences
Reconditioned Test Equipment as a Key Driver in Reducing Life Cycle Support Costs
Previously owned test and measurement equipment has been purchased for over 50 years by the United States military, agencies of the Federal gov- ernment, and prime contractors that support these organizations. Yet, despite the significant amount of previously owned...
Briefs: Physical Sciences
Wedge Heat-Flux Indicators for Flash Thermography
Wedge indicators have been proposed for measuring thermal radiation that impinges on specimens illuminated by flash lamps for thermographic inspection. Heat fluxes measured by use of these indicators would be used, along with known thermal, radiative, and geometric properties of the specimens, to...
Briefs: Physical Sciences
Earth-Space Link Attenuation Estimation via Ground Radar Kdp
A method of predicting attenuation on microwave Earth/ spacecraft comm- unication links, over wide areas and under various atmospheric conditions, has been developed. In the area around the ground station locations, a nearly horizontally aimed polarimetric S-band ground radar measures the...
Briefs: Physical Sciences
Update on Area Production in Mixing of Supercritical Fluids
The paper “Turbulence and Area Production in Binary-Species, Super- critical Transitional Mixing Layers” presents a more recent account of the research sum- marized at an earlier stage in “Area Production in Super- critical, Transitional Mixing Layers” (NPO-30425), NASA Tech...
Briefs: Physical Sciences
Dyakonov-Perel Effect on Spin Dephasing in n-Type GaAs
A paper presents a study of the contribution of the Dyakonov-Perel (DP) effect to spin dephasing in electron-donor-doped bulk GaAs in the presence of an applied steady, moderate magnetic field perpendicular to the growth axis of the GaAs crystal. (The DP effect is an electron-wave-...
Briefs: Mechanical & Fluid Systems
Quasi-Sun-Pointing of Spacecraft Using Radiation Pressure
A report proposes a method of utilizing solar-radiation pressure to keep the axis of rotation of a small spin-stabilized spacecraft pointed approximately (typically, within an angle of 10° to 20°) toward the Sun. Axisymmetry is not required. Simple tilted planar vanes would be attached to...
Briefs: Mechanical & Fluid Systems
Cable-Dispensing Cart
A versatile cable- dispensing cart can support as many as a few dozen reels of cable, wire, and/or rope. The cart can be adjusted to accommodate reels of various diameters and widths, and can be expanded, contracted, or otherwise reconfigured by use of easily installable and removable parts that can be carried onboard. Among...
Briefs: Mechanical & Fluid Systems
Device for Locking a Control Knob
A simple, effective, easy-to-use device locks a control knob in a set position. In the initial application for which this device was conceived, the control knob to be locked is that of a needle valve. Previously, in that application, it was necessary for one technician to hold the knob to keep the valve at the...
Briefs: Mechanical & Fluid Systems
Three techniques have been proposed to prolong the intervals of time available for microgravity experiments aboard airplanes flown along parabolic trajectories. Typically, a pilot strives to...
Briefs: Information Technology
An improved method of analysis of coverage of areas of the Earth by a constellation of radio-communication or scientific-observation satellites has been developed. This method is intended...
Briefs: Information Technology
Update on EMD and Hilbert-Spectra Analysis of Time Series
U.S. Patent 6,381,559 presents further information about the method described in "Analyzing Time Series Using EMD and Hilbert Spectra" (GSC-13817), NASA Tech Briefs, Vol. 24, No. 10 (October 2000), page 63. To recapitulate: The method is especially well suited for analyzing time-series data...
Briefs: Electronics & Computers
Figure 1 shows a three-stage monolithic microwave integrated circuit (MMIC) power amplifier that features high-electron-mobility transistors (HEMTs) as gain elements. This amplifier is designed to...
Briefs: Electronics & Computers
An apparatus that is extremely effective in dispensing a wide range of droplets has been developed. This droplet dispenser is unique in that it utilizes a droplet bias voltage, as well as an ionization pulse, to...
Briefs: Electronics & Computers
Network Extender for MIL-STD-1553 Bus
An extender system for MIL-STD-1553 buses transparently couples bus components at multiple developer sites. The bus network extender is a relatively inexpensive system that minimizes the time and cost of integration of avionic systems by providing a convenient mechanism for early testing without the need to...
Briefs: Electronics & Computers
Some prototype parts of a digital beam-forming (DBF) receiver that would operate at multigigahertz carrier frequencies have been developed. The beam-forming algorithm in a DBF...
Briefs: Electronics & Computers
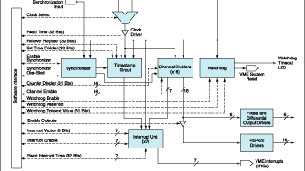
The Real-Time Interferometer Control Systems Testbed (RICST) timing board is a VersaModule Eurocard (VME)-based board that can generate up to 16 simultaneous, phase-locked timing signals at a rate defined...
Briefs: Software
Numerical Modeling of Nanoelectronic Devices
Nanoelectronic Modeling 3-D (NEMO 3-D) is a computer program for numerical modeling of the electronic structure properties of a semiconductor device that is embodied in a crystal containing as many as 16 million atoms in an arbitrary configuration and that has overall dimensions of the order of tens of...
Briefs: Electronics & Computers
A proposed tracking receiver system containing three suitably positioned antenna elements and special signal-processing equipment would determine the direction of incidence of a...
Briefs: Photonics/Optics
Optical assemblies are used in an extensive range of technical applications to deliver a laser beam of a certain size, quality, and intensity to a region of space. While different...
Briefs: Photonics/Optics
Piezoelectric diffraction-based optoelectronic devices have been invented to satisfy requirements for switching signals quickly among alternative optical paths in optical communication networks....
Briefs: Photonics/Optics
A design concept has been proposed for an optomechanical apparatus that would implement a variable optical delay line with a fixed angle between its input and output light beams. The apparatus...
Briefs: Photonics/Optics
Mode-locked lasers of a proposed type would incorporate features of the design and operation of previously demonstrated miniature electro-optical modulators and erbium-doped glass lasers that contain...
Briefs: Photonics/Optics
A method of observing the interdiffusion of a pair of miscible liquids is based on the use of a common-path interferometer (CPI) to measure the spatially varying gradient of the...
Briefs: Software
Computer Program Recognizes Patterns in Time-Series Data
A computer program recognizes selected patterns in time-series data like digitized samples of seismic or electrophysiological signals. The program implements an artificial neural network (ANN) and a set of N clocks for the purpose of determining whether N or more instances of a certain...
Top Stories
Blog: Electronics & Computers
The Kitchen Tech Hack Aiming to Revolutionize 3D Printing
Blog: Green Design & Manufacturing
Beyond Lithium: The Rise of Calcium-Ion Energy Storage
INSIDER: Design
These Robots Are Born to Run — And Never Die
INSIDER: Design
Programmable Lego-Like Material Emulates Life’s Flexibility
Podcasts: Software
How the F-22 Is Getting Software Updates Faster Than Ever
Quiz: Aerospace
Webcasts
Podcasts: Software
How Modular Computing Is Accelerating Modern Defense Technology
Webinars: Automotive
Driving Reliability: Simulation Driven EMI Techniques for Modern Vehicle...
Editorial Webinars: Aerospace
Smarter Aerospace Manufacturing & Design with Digital Twins and Agentic AI
Webinars: Materials
Superior Environmental Protection with Ultra-Thin Parylene and Multilayer...
Webinars: RF & Microwave Electronics
Where Time and Frequency Converge: Multi-Channel RF Analysis for Radar and...
Webinars: Manufacturing & Prototyping
The Over-Engineering Trap: Aligning Custom Equipment Specs with Operational...

