A proposed heterodyne receiver would be capable of detecting electromagnetic radiation in both of two orthogonal linear polarizations, separating sidebands, and providing balanced outputs in a frequency band centered at 1.5 THz with a fractional bandwidth >40 percent. Dual-polarization, sideband-separating, and balanced-output receivers are well- known and have been used extensively at frequencies up to about 100 GHz; and there was an earlier proposal for such a receiver for frequencies up to 900 GHz. However, the present proposal represents the first realistic design concept for such a receiver capable of operating above 1 THz. The proposed receiver is intended to be a prototype of mass-producible receiver units, operating at frequencies up to 6 THz, that would be incorporated into highly sensitive heterodyne array instruments to be used in astronomical spectroscopic and imaging studies.

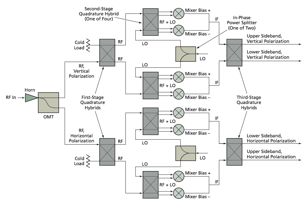
Figure 1. The 1.5-THz Dual-Polarization, Sideband-Separating Receiver would process an incoming RF signal into an upper- and a lower-sideband output for each of two orthogonal polarizations.
The receiver architecture (see Figure 1) as proposed is based on discrete single-ended mixers and conventional waveguides with integrated planar circuitry. The receiver would include a finline orthomode transducer (OMT) followed by six quadrature hybrids on a plane (see Figure 2). An incoming radio-frequency (RF) signal would enter via a horn antenna. An ortho- mode transducer (OMT) would separate the incoming RF signal into its two orthogonal linearly polarized components. One of the outputs will go through a waveguide polarization twist and that will enable the subsequent components to have the same E-field orientation. Each of these polarizations would be fed to a first-stage quadrature hybrid. The outputs of each first-stage quadrature hybrid, which would be in phase quadrature, would be fed along with a local-oscillator (LO) signal to two second-stage quadrature hybrids. The combined LO and RF signals coming out of the second-stage quadrature hybrids would pump two sets of mixers in a balanced configuration. The intermediate-frequency (IF) outputs of the mixers would be combined in third-stage quadrature hybrids to separate the upper and lower sidebands for each polarization.

Figure. 2. A schematic diagram of the One Half of the Split-Block for the broadband 1.5 THz dual-polarized, sideband-separating, balanced receiver shows the finline OMT, two first-stage and four second-stage quadrature hybrids, and the in-phase LO power splitter that will be fabricated using DRIE silicon etching process.
The critical components in the planned development of the proposed receiver would be the OMT, the first- and second-stage quadrature hybrids, and the polarization twist. Previously, it was almost impossible to design, simulate, and fabricate such components for operation at terahertz frequencies: because of the smallness of their features and the tightness of their tolerances, quadrature hybrids and finline OMTs for terahertz frequencies cannot be fabricated by conventional machining. However, recent advances in both electromagnetic-field-simulating software and microfabrication techniques have made it possible to design and construct complexly shaped waveguide structures. The development of the proposed receiver is planned to include the use of a combination of optical lithography and a micromachining process based on deep reactive ion etching (DRIE) of silicon. This combination is expected to enable the realization of micron-size waveguide features and sub-micron tolerances in fabricating the aforementioned critical components.

This work was done by Goutam Chattopadhyay, John Ward, Harish Manohara, and Peter Siegel of Caltech for NASA’s Jet Propulsion Laboratory.

In accordance with Public Law 96-517, the contractor has elected to retain title to this invention. Inquiries concerning rights for its commercial use should be addressed to:

Innovative Technology Assets Management

JPL

Mail Stop 202-233

4800 Oak Grove Drive

Pasadena, CA 91109-8099

(818) 354-2240

E-mail: This email address is being protected from spambots. You need JavaScript enabled to view it.

Refer to NPO-42935, volume and number of this NASA Tech Briefs issue, and the page number.



Magazine cover
NASA Tech Briefs Magazine

This article first appeared in the August, 2009 issue of NASA Tech Briefs Magazine (Vol. 33 No. 8).

Read more articles from this issue here.

Read more articles from the archives here.