33
61
169
-1
1590
30
Briefs: Electronics & Computers
High-power fiber lasers (HPFLs) would be made from photonic band gap (PBG) materials, according to the proposal. Such lasers would be scalable in the sense that a large number of fiber...
Briefs: Electronics & Computers
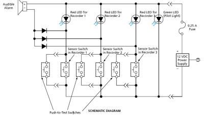
A remote alarm circuit provides visible and audible signals to indicate that there is little unused space left on magnetic and optical tracks on disks used to record voice signals in...
Briefs: Electronics & Computers
Quantifying Traversability of Terrain for a Mobile Robot
A document presents an updated discussion on a method of autonomous navigation for a robotic vehicle navigating across rough terrain. The method at an earlier stage of development was described in “Navigating a Mobile Robot Across Terrain Using Fuzzy Logic” (NPO-21199), NASA Tech Briefs,...
Briefs: Electronics & Computers
Software-Reconfigurable Processors for Spacecraft
A report presents an overview of an architecture for a software-reconfigurable network data processor for a spacecraft engaged in scientific exploration. When executed on suitable electronic hardware, the software performs the functions of a physical layer (in effect, acts as a software radio in...
Briefs: Electronics & Computers
Units of superconducting circuitry that exploit the concept of the single-Cooper-pair box (SCB) have been built and are undergoing testing as prototypes of logic gates that could, in...
Briefs: Electronics & Computers
An electronic instrument has been developed as a prototype of a portable crane-load contact sensor. Such a sensor could be helpful in an application in which the load rests on a base in a horizontal position...
Briefs: Electronics & Computers
Thin, transparent layers comprising mats of carbon nanotubes have been proposed for providing lateral (that is, inplane) electrical conductivities for collecting electric currents from...
Briefs: Test & Measurement
Aircraft and other vehicles are often kept in service beyond their original design lives. As they age, they become susceptible to system malfunctions and fatigue. Unlike future aircraft...
Briefs: Electronics & Computers
Devices called “solid-state ferroelectric-based sources” (SSFBSs) are under development as sources of electrons, ions, ultraviolet light, and x-rays for diverse applications in...
Briefs: Electronics & Computers
Modeling and Diagnostic Software for Liquefying-Fuel Rockets
A report presents a study of five modeling and diagnostic computer programs considered for use in an integrated vehicle health management (IVHM) system during testing of liquefying-fuel hybrid rocket engines in the Hybrid Combustion Facility (HCF) at NASA Ames Research Center.
Briefs: Electronics & Computers
Progress on a Multichannel, Dual-Mixer Stability Analyzer
Several documents describe aspects of the continuing development of a multichannel, dual-mixer system for simultaneous characterization of the instabilities of multiple precise, low noise oscillators.
Briefs: Electronics & Computers
Nanowire thermoelectric devices, now under development, are intended to take miniaturization a step beyond the prior state of the art to exploit the potential advantages afforded by shrinking some device features...
Briefs: Mechanical & Fluid Systems
No matter how sophisticated or advanced, electronic components must be attached reliably and securely if they are to deliver optimum performance. Beyond this universal requirement, particular...
Briefs: Electronics & Computers
Patch Antenna Fed via Unequal-Crossed-Arm Aperture
A proposed rectangular-patch antenna for transmitting or receiving microwave circularly polarized (CP) radiation would be fed via a cross-shaped aperture that would have unequal arms and would, in turn, be fed at a single point via a microstrip transmission line. As a consequence of the unequal-arm...
Briefs: Electronics & Computers
Improvements of ModalMax High-Fidelity Piezoelectric Audio Device
ModalMax audio speakers have been enhanced by innovative means of tailoring the vibration response of thin piezoelectric plates to produce a high-fidelity audio response. The ModalMax audio speakers are 1 mm in thickness.
Briefs: Electronics & Computers
Long-Range Emergency Preemption of Traffic Lights
A forwarding system could prove beneficial as an addition to an electronic communication and control system that automatically modifies the switching of traffic lights to give priority to emergency vehicles. A system to which the forwarding system could be added could be any of a variety of...
Briefs: Electronics & Computers
A high-efficiency power amplifier that operates in the S band (frequencies of the order of a few gigahertz) utilizes transistors operating under class-D bias and excitation conditions. Class-D operation...
Briefs: Electronics & Computers
Optimizing Parameters for Deep-Space Optical Communication
A paper discusses the optimization of the parameters of a high-rate, deep-space optical communication link that utilizes pulse-position modulation (PPM) and an error-correcting code (ECC).
Briefs: Electronics & Computers
Advanced Three-Dimensional Display System
A desktop-scale, computer-controlled display system, initially developed for NASA and now known as the VolumeViewer®, generates three-dimensional (3D) images of 3D objects in a display volume. This system differs fundamentally from stereoscopic and holographic display systems: The images generated by...
Briefs: Electronics & Computers
A circuit generates sinusoidal excitation signals for a shaft-angle resolver and, like the arctangent circuit described in the preceding article, generates an analog voltage proportional to the...
Briefs: Electronics & Computers
A circuit generates an analog voltage proportional to an angle, in response to two sinusoidal input voltages having magnitudes proportional to the sine and cosine of the angle, respectively. That is to...
Briefs: Electronics & Computers
A horn antenna (see Figure 1) has been developed to satisfy requirements specific to its use as an essential component of a high-efficiency Ka-band amplifier: The combination of the horn antenna and an...
Briefs: Electronics & Computers
Arrays of CdZnTe photodetectors and associated electronic circuitry have been built and tested in a continuing effort to develop focal-plane image sensor systems for hard-x-ray telescopes. Each...
Briefs: Electronics & Computers
Simulating a Direction-Finder Search for an ELT
A computer program simulates the operation of direction-finding equipment engaged in a search for an emergency locator transmitter (ELT) aboard an aircraft that has crashed.
Briefs: Electronics & Computers
A method of adaptive setting of a threshold level for the detection of pulses in a pulse-position modulation (PPM) free-space optical communication system has been developed. In simplified...
Briefs: Electronics & Computers
A method of maintaining radio communication despite the emergence of unpredictable fades and nulls in the radiation pattern of an antenna has been proposed. The method was originally...
Briefs: Electronics & Computers
Coupled receiver/decoders have been proposed for receiving weak single-channel phase-modulated radio signals bearing low-rate-turbo-coded binary data. Originally intended for use in receiving...
Briefs: Electronics & Computers
A design concept for the receiver portion of a proposed free-space optical communication terminal calls for integration of its communication and pointing detectors. As explained...
Briefs: Software
Central-Monitor Software Module
One of the software modules of the emergency-vehicle traffic-light-preemption system of the two preceding articles performs numerous functions for the central monitoring subsystem. This module monitors the states of all units (vehicle transponders and intersection controllers): It provides real-time access to the...
Top Stories
Blog: Lighting
A Stretchable OLED that Can Maintain Most of Its Luminescence
Blog: Energy
Batteries that Can Withstand the Cold
INSIDER: Energy
Advancing All-Solid-State Batteries
Blog: Power
My Opinion: We Need More Power Soon — Is Nuclear the Answer?
Quiz: Power
Blog: Data Acquisition
Webcasts
Upcoming Webinars: Test & Measurement
From Spreadsheets to Insights: Fast Data Analysis Without Complex...
Upcoming Webinars: Defense
Cooling a New Generation of Aerospace and Defense Embedded...
Upcoming Webinars: AR/AI
Beyond AI-Copy-Paste Engineering: Advanced AI-Integration Success...
Upcoming Webinars: Automotive
Battery Abuse Testing: Pushing to Failure
Upcoming Webinars: Connectivity
A FREE Two-Day Event Dedicated to Connected Mobility
Upcoming Webinars: RF & Microwave Electronics
Choosing the Right N-Port Strategy: Multiport VNAs vs. Switch...

