Stories
61
0
0
0
Briefs: Electronics & Computers
A computer-based system, and a method built around the use of the system, have been developed to automate the acquisition, integration, and management of data that have been generated...
Briefs: Electronics & Computers
Mixed-Signal Driver ASIC for IEEE 1394 and I²C Buses
The IEEE 1394 and I2C Mixed-Signal Driver is one of two application-specific integrated circuits (ASICs) designed to function together as an interface among the following three digital-signal buses:
A peripheral component interface (PCI) bus;
A high-speed serial data bus that conforms to...
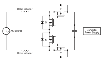
Briefs: Electronics & Computers
Circuits for conditioning AC power supplied to computers are under development. A power conditioner of this type would be an interface between a conventional AC power line and a...
Briefs: Software
Program Injects Random Faults for Testing Computers
JIFI (Jet Propulsion Laboratory's Implementation of a Fault Injector) is a computer program for studying the ability of a computer to tolerate, detect, and/or recover from faults (that is, bit errors). JIFI affords the capability to inject faults into user-specified central- processing-unit (CPU)...
Briefs: Electronics & Computers
A monolithic microwave integrated circuit (MMIC) has been designed to function as a low-power-consumption, low-noise amplifier (LNA) at frequencies from about 65 to about 110 GHz. This MMIC...
Briefs: Electronics & Computers
Monolithic integrated circuits (in particular, Schottky-diode-based frequency multipliers) that operate at frequencies as high as a few terahertz are being developed in a program...
Briefs: Photonics/Optics
The term "COSMOWRAP" denotes a compact, stiff, remotely actuatable, lightweight, quick-release clamp that could be substituted for the larger, heavier, and more-difficult-to-use toggle-action...
Briefs: Photonics/Optics
Cells that contain thin, single-crystal films of photoresponsive organic materials [e.g., meta-nitroaniline (m-NA)] have been invented for use as nonlinear optics and especially as...
Briefs: Photonics/Optics
An optoelectronic oscillator with a nominal operating frequency of 11.763 GHz has been designed and constructed to demonstrate a technique for reducing the sensitivity of the...
Briefs: Photonics/Optics
The figure depicts an apparatus for measuring x-ray diffraction (XRD) and/or x-ray fluorescence (XRF) in a specimen of material. The specimen could be, for example, a standard XRD powder...
Briefs: Photonics/Optics
A proposed program of research would be oriented toward the development of fluorescent dyes for use in two-photon microscopy. Two-photon microscopy and its predecessor, one-photon microscopy, are...
Briefs: Photonics/Optics
A method of growing lattice-mismatched InxGa1-xAs epitaxial layers on InP substrates using intermediate buffer layers of InAsyP1-yhas been invented to improve the performance of...
Briefs: Electronics & Computers
A system of electronic hardware and software has been developed as an experimental prototype of a visual interface between a human operator and a possibly remote one-arm anthropomorphic...
Briefs: Motion Control
Software for Geometric Calibration of Video Cameras
A software library and set of programs largely automate the geometric calibration of video cameras. Developed especially for robotic vision systems, this software generates the information needed to determine the three-dimensional (3D) positions of objects that appear in two- dimensional (2D)...
Briefs: Motion Control
The figure depicts a mechanism that is capable of simultaneously rotating as many as six disposable bioreactor chambers about horizontal axes. The particular bioreactor chambers for...
Briefs: Mechanical & Fluid Systems
Tip fences have been invented to reduce the noise generated in the airflows about the high-lift systems (the flaps and slats) of airplane wings. Tip fences also afford an important...
Briefs: Electronics & Computers
Capacitors in which the main dielectric layers are made from sintered nanocrystalline BaTiO3 have been fabricated and tested in an initially successful and continuing effort to increase...
Briefs: Electronics & Computers
Millimeter-wave/microwave ablation (essentially, heating by use of millimeter-wave and microwave electromagnetic radiation) has been proposed as a means of treating atherosclerotic...
Briefs: Software
KPP — a Preprocessor for VHDL
KPP is a computer program that serves as a preprocessor for VHDL code. [“VHDL” signifies VHSIC Hardware Description Language, which is a language used by the United States Department of Defense for describing, designing, and simulating very-high-speed integrated circuits (VHSICs).] KPP is based on, and similar...
Briefs: Software
Software for Analyzing Valve-Actuator
A computer program assists engineers in analyzing data on the performances of actuators of fuel and oxidizer valves in the main engines of the space shuttle. The program could be adapted to similar use in other settings in which, as in the space shuttle, valve actuators are instrumented to provide data on...
Briefs: Software
Software for Network Processing of
The Electronic Portable Information Collection (EPIC) computer program is a computer system that processes work authorization documents (WADs). The EPIC System, which is also known as the Portable Data Collection System, comprises a central data server and portable data terminals. The central data server acts as...
Briefs: Materials
The term “prefield test” denotes an in situ test of contaminated soil in preparation for in situ treatment of the soil by a method called “electrokinetically enhanced...
Briefs: Mechanical & Fluid Systems
SMARTCOM is a computer program for the analysis and design of actively controlled “smart” structures. Typically, an actively controlled “smart” structure incorporates piezoelectric...
Briefs: Mechanical & Fluid Systems
Systems of caged trim masses manipulated by magnetic fields have been proposed for effecting fine control of the positions and/or orientations of spacecraft. The systems were conceived...
Briefs: Physical Sciences
A new technique for retrieving cirrus properties from radiometric measurements at submillimeter wavelengths has been developed. The technique can accurately measure the amount of ice present...
Briefs: Information Technology
An improved algorithm for detecting gray-scale and binary templates in digitized images has been devised. The greatest difference between this algorithm and prior template-detecting algorithms stems from the...
Briefs: Software
Fast algorithms and the first complete and efficient circuits for implementing two quantum wavelet transforms have been developed in theory. The significance of this development within...
Briefs: Physical Sciences
Study of Inertial and Gravitational Masses of a Boson
A report presents a theoretical study of the relationship between the inertial mass (mi) and gravitational mass (mg) of a self-interacting neutral scalar boson in a heat bath. The question of whether these masses differ arises in modern physics. In quantum field theory, the mass of a particle...
Briefs: Materials
Metal/Dielectric Color Filters for Flat Panel Displays
A report expands on the proposal described in “Low-Absorption Color Filters for Flat Panel Display Devices” (NPO-20435) NASA Tech Briefs, Vol. 23, No. 12 (December 1999), page 34. To recapitulate: The dye pixel color filters in a conventional liquid-crystal or other display device would be...
Briefs: Research Lab
Multiphase-Flow Model of Fluidized-Bed Pyrolysis of Biomass
A report presents additional information about the subject matter of “Model of Pyrolysis of Biomass in a Fluidized- Bed Reactor” (NPO-20708) NASA Tech Briefs, Vol. 25, No. 6 (June 2001), page 59. The model is built on equations for the dynamics of three components — gas, sand, and...
Top Stories
Blog: Electronics & Computers
The Kitchen Tech Hack Aiming to Revolutionize 3D Printing
Blog: Green Design & Manufacturing
Beyond Lithium: The Rise of Calcium-Ion Energy Storage
INSIDER: Design
These Robots Are Born to Run — And Never Die
INSIDER: Design
Programmable Lego-Like Material Emulates Life’s Flexibility
Podcasts: Software
How the F-22 Is Getting Software Updates Faster Than Ever
Quiz: Aerospace
Webcasts
Podcasts: Software
How Modular Computing Is Accelerating Modern Defense Technology
Webinars: Automotive
Driving Reliability: Simulation Driven EMI Techniques for Modern Vehicle...
Editorial Webinars: Aerospace
Smarter Aerospace Manufacturing & Design with Digital Twins and Agentic AI
Webinars: Materials
Superior Environmental Protection with Ultra-Thin Parylene and Multilayer...
Webinars: RF & Microwave Electronics
Where Time and Frequency Converge: Multi-Channel RF Analysis for Radar and...
Webinars: Manufacturing & Prototyping
The Over-Engineering Trap: Aligning Custom Equipment Specs with Operational...

