Stories
61
0
22860
30
Briefs: Semiconductors & ICs
A stripline to microstrip transition has been incorporated into a multilayer circuit board that supports a distributed solid-state microwave power amplifier, for the purpose of...
Briefs: Sensors/Data Acquisition
Have you ever seen a piece of spaceflight hardware? When you do, you will notice some letters and numbers etched or inscribed on it. All NASA parts have identification,...
Briefs: Imaging
A hyperspectral imaging system of high spectral and spatial resolution that incorporates several innovative features has been developed to incorporate a focal-plane scanner (U.S. Patent 6,166,373). This...
Briefs: Physical Sciences
Solid-Phase Extraction of Polar Compounds From Water
A solid-phase extraction (SPE) process has been developed for removing alcohols, carboxylic acids, aldehydes, ketones, amines, and other polar organic compounds from water. This process can be either a subprocess of a water-reclamation process or a means of extracting organic compounds from water...
Briefs: Physical Sciences
The Mars Electrostatics Chamber (MEC) is an environmental chamber designed primarily to create atmospheric conditions like those at the surface of Mars to support experiments on electrostatic...
Briefs: Physical Sciences
A multistage system has been proposed for cooling a circulating fluid that is subject to intermittent intense heating. The system would be both flexible and redundant in that it could...
Briefs: Physical Sciences
Laser gauges have been developed to satisfy requirements specific to monitoring the amplitude of the motion of an optical path- length modulator that is part of an astronomical...
Briefs: Materials
Anhydrous Proton-Conducting Membranes for Fuel Cells
Polymeric electrolyte membranes that do not depend on water for conduction of protons are undergoing development for use in fuel cells. Prior polymeric electrolyte fuel-cell membranes (e.g., those that contain perfluorosulfonic acid) depend on water and must be limited to operation below a...
Briefs: Materials
Glass Frit Filters for Collecting Metal
Filter disks made of glass frit have been found to be effective as means of high throughput collection of metal oxide particles, ranging in size from a few to a few hundred nanometers, produced in gas phase condensation reactors. In a typical application, a filter is placed downstream of the reactor and a...
Briefs: Physical Sciences
Recent advances in fiber technology have enabled a dramatic increase in the power delivered from fiber based amplifiers and lasers. This is particularly true at the 1060-nm...
Briefs: Physical Sciences
A family of iron-nickel and ironnickel- cobalt alloys made using metal injection technology (MIT) has been designed to match the coefficient of thermal expansion (CTE) of...
Briefs: Electronics & Computers
Multiband dipole antennas based on hexagonal and pentagonal fractals have been analyzed by computational simulations and functionally demonstrated in experiments on prototypes. These antennas...
Briefs: Electronics & Computers
A method for dividing the power of an electronic signal rich in harmonics involves the use of an improved divider topology. A divider designed with this topology could be used, for example, to...
Briefs: Electronics & Computers
High-power fiber lasers (HPFLs) would be made from photonic band gap (PBG) materials, according to the proposal. Such lasers would be scalable in the sense that a large number of fiber...
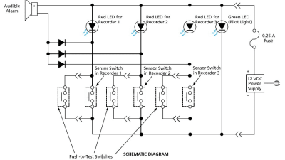
Briefs: Electronics & Computers
A remote alarm circuit provides visible and audible signals to indicate that there is little unused space left on magnetic and optical tracks on disks used to record voice signals in...
Briefs: Electronics & Computers
Quantifying Traversability of Terrain for a Mobile Robot
A document presents an updated discussion on a method of autonomous navigation for a robotic vehicle navigating across rough terrain. The method at an earlier stage of development was described in “Navigating a Mobile Robot Across Terrain Using Fuzzy Logic” (NPO-21199), NASA Tech Briefs,...
Briefs: Electronics & Computers
Software-Reconfigurable Processors for Spacecraft
A report presents an overview of an architecture for a software-reconfigurable network data processor for a spacecraft engaged in scientific exploration. When executed on suitable electronic hardware, the software performs the functions of a physical layer (in effect, acts as a software radio in...
Briefs: Electronics & Computers
Units of superconducting circuitry that exploit the concept of the single-Cooper-pair box (SCB) have been built and are undergoing testing as prototypes of logic gates that could, in...
Briefs: Software
Selecting Data From a Star Catalog
MCDUMP is a computer program that selects data from the SKYMAP SKY2000 Master Star Catalog — a database about 150 MB in size, stored on a computer hard drive.
Briefs: Software
Update on Rover Sequencing and Visualization Program
The Rover Sequencing and Visualization Program (RSVP) has been updated. RSVP was reported in "Rover Sequencing and Visualization Program" (NPO-30845), NASA Tech Briefs, Vol. 29, No. 4 (April 2005), page 38. To recapitulate: The Rover Sequencing and Visualization Program (RSVP) is the software...
Briefs: Software
CSAM Metrology Software Tool
CSAM Metrology Software Tool (CMeST) is a computer program for analysis of false-color CSAM images of plastic-encapsulated microcircuits. ("CSAM" signifies C-mode scanning acoustic microscopy.) The colors in the images indicate areas of delamination within the plastic packages. Heretofore, the images have been...
Briefs: Manufacturing & Prototyping
Solid Freeform Fabrication of Composite-Material Objects
Composite solid freeform fabrication (C-SFF) or composite layer manufacturing (CLM) is an automated process in which an advanced composite material (a matrix reinforced with continuous fibers) is formed into a freestanding, possibly complex, three-dimensional object. In CLM, there is no need...
Briefs: Manufacturing & Prototyping
Three improvements have been devised for the cold-box process, which is a special molding process used to make sand/binder cores for casting hollow metal parts. These improvements...
Briefs: Software
The figure is a schematic diagram of a complementary metal oxide/semiconductor (CMOS) electronic circuit that functions as a NAND gate at a power-supply potential (Vdd) of 3.3 V and as NOR...
Briefs: Semiconductors & ICs
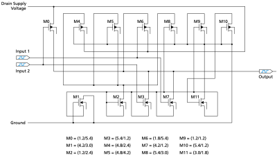
The figure is a schematic diagram of a complementary metal oxide/semiconductor (CMOS) electronic circuit that has been designed to function as a NAND gate at a temperature between 0 and 80...
Briefs: Mechanical & Fluid Systems
A versatile mobile telerobot, denoted the magnetically attached multifunction maintenance rover (MAGMER), has been proposed for use in the inspection and maintenance of the surfaces of...
Briefs: Physical Sciences
Improved Electrolytic Hydrogen Peroxide Generator
An improved apparatus for the electrolytic generation of hydrogen peroxide dissolved in water has been developed. The apparatus is a prototype of H2O2 generators for the safe and effective sterilization of water, sterilization of equipment in contact with water, and other applications in which there...
Briefs: Mechanical & Fluid Systems
The variable-pressure washer (VPW) is a proposed device that is so named because (1) it would play the role similar to that played by an ordinary washer, except that (2) the clamping pressure applied by it would vary...
Briefs: Physical Sciences
Three optical gauges have been developed for guiding the assembly and measuring precisely the reflecting surfaces of a compound mirror that comprises a corner-cube retroreflector glued in...
Top Stories
Blog: Manufacturing & Prototyping
2025 Holiday Gift Guide for Engineers: Tech, Tools, and Gadgets
Blog: Power
Using Street Lamps as EV Chargers
INSIDER: Semiconductors & ICs
Scientists Create Superconducting Semiconductor Material
Blog: Materials
This Paint Can Cool Buildings Without Energy Input
Blog: Software
Quiz: Power
Webcasts
Upcoming Webinars: AR/AI
The Real Impact of AR and AI in the Industrial Equipment Industry
Upcoming Webinars: Motion Control
Next-Generation Linear and Rotary Stages: When Ultra Precision...
Podcasts: Manufacturing & Prototyping
SAE Automotive Engineering Podcast: Additive Manufacturing
Podcasts: Defense
A New Approach to Manufacturing Machine Connectivity for the Air Force
On-Demand Webinars: Manufacturing & Prototyping
Streamlining Manufacturing with Integrated Digital Planning and Simulation

