33
61
169
-1
1830
30
Briefs: Photonics/Optics
Focal-plane arrays of quantum-well infrared photodetectors (QWIPs) featuring adjacent pixels sensitive to different colors have been proposed. An array of this type would make it...
Briefs: Software
A method of designing improved monolithic planar arrays of superconducting tunnel junctions (STJs) for use as photodetectors has been conceived. These arrays would be suitable for...
Briefs: Sensors/Data Acquisition
Development of Cognitive Sensors
A technical report enunciates the concept of a hierarchy of sensor classes (meaning transducers, associated circuitry, and embedded software) that have different levels of intelligence, and discusses issues pertaining to the development of sensors of the highest level of intelligence, called cognitive. The other...
Briefs: Power
A “smart” back-gate driver circuit has been proposed to enable the operation, at voltages higher than were previously possible, of a silicon-on-insulator (SOI) complementary metal...
Briefs: Electronics & Computers
A method of estimating the pointing error of an offset-conic-section reflector antenna equipped to receive in both right circular polarization (RCP) and left circular polarization (LCP)...
Briefs: Software
Software for Sequencing Spacecraft Actions
SEQ_GEN is a component of the Sequence Subsystem computer program, which assists in generating a sequence of commands to be executed by a control computer aboard a spacecraft to perform scientific observations and supporting engineering actions in response to requests by numerous users. SEQ_GEN assists a...
Briefs: Electronics & Computers
A method of estimating and correcting for the effect of polarization leakage on the response of a heterodyne optical interferometer has been devised. In a typical application in which a...
Briefs: Electronics & Computers
PCI Bridge to Instruments and Telecommunication Systems
A report describes a prototype system interface assembly (SIA) that performs the functions of a compact, radiation-hard application-specific integrated circuit (ASIC) to be built subsequently. The SIA ASIC would be installed in a spacecraft, where it would function as a peripheralcomponent...
Briefs: Electronics & Computers
An all-digital demodulator has been developed for receiving radio signals with multigigahertz carrier frequencies phase-modulated with digital data signals at bit rates of hundreds of...
Briefs: Electronics & Computers
Reusable Software for Autonomous Diagnosis of Complex Systems
A software system designed to provide a purely signal-based diagnosis of virtually any time-varying system has been developed. This software is part of an overall concept called “Beacon-based Exception Analysis for Multimissions,” or BEAM. This concept provides for real-time...
Briefs: Electronics & Computers
The TAXI Direct-to-Disk interface is a special-purpose interface circuit for demultiplexing of data from a Racal Storeplex (or equivalent) multichannel recorder onto one...
Briefs: Nanotechnology
Since its invention in 1948, the transistor has revolutionized everyday life. The electronics revolution is based on miniaturization of transistors; smaller transistors are faster, and...
Briefs: Electronics & Computers
“Flip chip on board (FCOB) with high thermal conductivity and tailored coefficient of thermal expansion (CTE)” denotes a developmental concept for relatively inexpensive,...
Briefs: Electronics & Computers
Printed-wiring boards (PWBs) that are especially suitable as substrates for highly reliable, lightweight electronic circuits for aircraft and spacecraft have been developed. Like...
Briefs: Electronics & Computers
A computer-based system, and a method built around the use of the system, have been developed to automate the acquisition, integration, and management of data that have been generated...
Briefs: Electronics & Computers
Mixed-Signal Driver ASIC for IEEE 1394 and I²C Buses
The IEEE 1394 and I2C Mixed-Signal Driver is one of two application-specific integrated circuits (ASICs) designed to function together as an interface among the following three digital-signal buses:
A peripheral component interface (PCI) bus;
A high-speed serial data bus that conforms to...
Briefs: Electronics & Computers
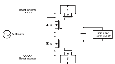
Circuits for conditioning AC power supplied to computers are under development. A power conditioner of this type would be an interface between a conventional AC power line and a...
Briefs: Electronics & Computers
A monolithic microwave integrated circuit (MMIC) has been designed to function as a low-power-consumption, low-noise amplifier (LNA) at frequencies from about 65 to about 110 GHz. This MMIC...
Briefs: Electronics & Computers
Monolithic integrated circuits (in particular, Schottky-diode-based frequency multipliers) that operate at frequencies as high as a few terahertz are being developed in a program...
Briefs: Electronics & Computers
A system of electronic hardware and software has been developed as an experimental prototype of a visual interface between a human operator and a possibly remote one-arm anthropomorphic...
Briefs: Electronics & Computers
Capacitors in which the main dielectric layers are made from sintered nanocrystalline BaTiO3 have been fabricated and tested in an initially successful and continuing effort to increase...
Briefs: Electronics & Computers
Millimeter-wave/microwave ablation (essentially, heating by use of millimeter-wave and microwave electromagnetic radiation) has been proposed as a means of treating atherosclerotic...
Briefs: Electronics & Computers
Active-pixel integrated-circuit image sensors that can be programmed in real-time to effect artificial reconfigurable vision on demand have been developed and demonstrated. In...
Briefs: Lighting
A relatively simple test circuit immediately and automatically provides indications of (1) the continuity (or the lack thereof) of the wires of a two-wire cable, plus (2) a short circuit (if any)...
Briefs: Photonics/Optics
Automated Detection of Streaks in Rocket-Engine Plumes
A high-speed observer (HSO) system comprising a high-frame-rate digital video camera and a high-speed computer that processes the camera output has been developed for use in monitoring the exhaust plume of the space shuttle main engine (SSME) during tests. The HSO system is designed to analyze...
Briefs: Imaging
Software for Analyzing Root Causes of Process Anomalies
Root Cause Analysis (RoCA) is a computer program that assists analysts in understanding the root causes of process anomalies. As used here, “process anomalies” includes incidents that have caused, or that can potentially cause, injuries to personnel, damage to facilities, abnormal costs,...
Briefs: Information Technology
Ex — Software for Numerical Computation in Native Oberon
“Ex” is the name of a library of software modules from which one can rapidly develop prototype or production versions of efficient numerical-computation application programs in the Native Oberon programming environment. Mathematical constructs that can be represented and processed by...
Briefs: Imaging
Annealing has been found to be an effective means of tailoring the height of a Schottky barrier between gold and gallium nitride. This finding offers promise for the development of improved...
Briefs: Electronics & Computers
PWM and Synchronous Rectifier Controller ASICs
A report describes two radiation-hard application-specific integrated circuits (ASICs) that constitute a mixed-signal chip set that performs all the control functions for a power-converter module (PCM) in a spacecraft power-supply system. One of these ASICs serves mainly as a pulse-width modulation...
Top Stories
Blog: Lighting
A Stretchable OLED that Can Maintain Most of Its Luminescence
Blog: Energy
Batteries that Can Withstand the Cold
INSIDER: Energy
Advancing All-Solid-State Batteries
Blog: Power
My Opinion: We Need More Power Soon — Is Nuclear the Answer?
Quiz: Power
Blog: Data Acquisition
Webcasts
Upcoming Webinars: Test & Measurement
From Spreadsheets to Insights: Fast Data Analysis Without Complex...
Upcoming Webinars: Defense
Cooling a New Generation of Aerospace and Defense Embedded...
Upcoming Webinars: AR/AI
Beyond AI-Copy-Paste Engineering: Advanced AI-Integration Success...
Upcoming Webinars: Automotive
Battery Abuse Testing: Pushing to Failure
Upcoming Webinars: Connectivity
A FREE Two-Day Event Dedicated to Connected Mobility
Upcoming Webinars: RF & Microwave Electronics
Choosing the Right N-Port Strategy: Multiport VNAs vs. Switch...

