41,46
61
169
-1
1530
30
Briefs: Mechanical & Fluid Systems
Advanced Active-Magnetic-Bearing Thrust-Measurement System
An advanced thrust-measurement system utilizes active magnetic bearings to both (1) levitate a floating frame in all six degrees of freedom and (2) measure the levitation forces between the floating frame and a grounded frame. This system was developed for original use in measuring the...
Briefs: Test & Measurement
Purifying Nucleic Acids From Samples of Extremely Low Biomass
A new method is able to circumvent the bias to which one commercial DNA extraction method falls prey with regard to the lysing of certain types of microbial cells, resulting in a truncated spectrum of microbial diversity. By prefacing the protocol with glass-bead-beating agitation...
Briefs: Test & Measurement
An alternative approach to apertureless near- field optical spectroscopy involving an atomic-force microscope (AFM) entails less complexity of equipment than does a prior approach. The...
Briefs: Imaging
Hard-X-Ray/Soft-γ-Ray Imaging Sensor Assembly for Astronomy
An improved sensor assembly has been developed for astronomical imaging at photon energies ranging from 1 to 100 keV. The assembly includes a thallium-doped cesium iodide scintillator divided into pixels and coupled to an array of high-gain avalanche photodiodes (APDs). Optionally, the...
Briefs: Imaging
Hyperspectral Fluorescence and Reflectance Imaging Instrument
The system is a single hyperspectral imaging instrument that has the unique capability to acquire both fluorescence and reflectance high-spatial-resolution data that is inherently spatially and spectrally registered. Potential uses of this instrument include plant stress monitoring,...
Briefs: Test & Measurement
A system that comprises optical and electronic subsystems has been developed as an infrastructure for a spectroradiometer that measures time- dependent spectral radiance of the daylight sky,...
Briefs: Information Technology
An alternative approach has been devised for encoding image data in compliance with JPEG 2000, the most recent still-image data- compression standard of the Joint Photographic Experts Group....
Briefs: Information Technology
Reducing Spaceborne-Doppler-Radar Rainfall-Velocity Error
A combined frequency- time (CFT) spectral moment estimation technique has been devised for calculating rainfall velocity from measurement data acquired by a nadir-looking spaceborne Doppler weather radar system. Prior spectral moment estimation techniques used for this purpose are based...
Briefs: Photonics/Optics
The ultra-stable beacon source (USBS) provides a laser-beam output with a very low angular jitter and can be used as an absolute angular reference to simulate a beacon in the...
Briefs: Test & Measurement
Injecting Artificial Memory Errors Into a Running Computer Program
Single-event upsets (SEUs) or "bitflips" are computer memory errors caused by radiation. BITFLIPS (Basic Instrumentation Tool for Fault Localized Injection of Probabilistic SEUs) is a computer program that deliberately injects SEUs into another computer program, while the latter is...
Briefs: Test & Measurement
Calculations for Calibration of a Mass Spectrometer
A computer program performs calculations to calibrate a quadrupole mass spectrometer in an instrumentation system for identifying trace amounts of organic chemicals in air. In the operation of the mass spectrometer, the mass-to-charge ratio (m/z) of ions being counted at a given instant of time is...
Briefs: Software
Simulating the Gradually Deteriorating Performance of an RTG
Degra (now in version 3) is a computer program that simulates the performance of a radioisotope thermoelectric generator (RTG) over its lifetime. Degra is provided with a graphical user interface that is used to edit input parameters that describe the initial state of the RTG and the...
Briefs: Imaging
Automated Camera Array Fine Calibration
Using aerial imagery, the JPL FineCalibration (JPL FineCal) software automatically tunes a set of existing CAHVOR camera models for an array of cameras. The software finds matching features in the overlap region between images from adjacent cameras, and uses these features to refine the camera models. It is...
Briefs: Test & Measurement
Figure 1 depicts a monolithic microwave integrated-circuit (MMIC) single-stage amplifier containing an InP-based high- electron-mobility transistor (HEMT) plus coplanar-waveguide (CPW)...
Briefs: Electronics & Computers
Hollow-core, periodic bandgap (HCPBG) flexible waveguides have been proposed as a means of low-loss transmission of electromagnetic signals in the frequency range from about 300 GHz to 30 THz. This...
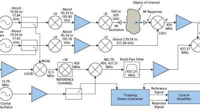
Briefs: Test & Measurement
A compact, high-dynamic-range, electronically tunable vector measurement system that operates in the frequency range from ≈560 to ≈635 GHz has been developed as a prototype of vector...
Briefs: Test & Measurement
The term “Passive Acoustic Monitoring System” (PAMS) describes a developmental sensing and data-acquisition system for recording underwater sounds. The sounds (more precisely, digitized and...
Briefs: Electronics & Computers
Wireless Data-Acquisition System for Testing Rocket Engines
A prototype wireless data-acquisition system has been developed as a potential replacement for a wired data-acquisition system heretofore used in testing rocket engines. The traditional use of wires to connect sensors, signal-conditioning circuits, and data acquisition circuitry is...
Briefs: Test & Measurement
Wireless Acoustic Measurement System
A prototype wireless acoustic measurement system (WAMS) is one of two main subsystems of the Acoustic Prediction/ Measurement Tool, which comprises software, acoustic instrumentation, and electronic hardware combined to afford integrated capabilities for predicting and measuring noise emitted by rocket and jet...
Briefs: Test & Measurement
Simulator for Testing Spacecraft Separation Devices
A report describes the main features of a system for testing pyrotechnic and mechanical devices used to separate spacecraft and modules of spacecraft during flight. The system includes a spacecraft simulator [also denoted a large mobility base (LMB)] equipped with air thrusters, sensors, and...
Briefs: Test & Measurement
An apparatus for positioning and holding material specimens is a major subsystem of a system for impact testing of the specimens at temperatures up to 1,500 °C. This apparatus and the...
Briefs: Test & Measurement
The figure shows a compact, rugged, simple sensor head that is part of an instrumentation system for making measurements to characterize the severity of aircraft-icing conditions...
Briefs: Test & Measurement
A desk-sized apparatus for testing monoball bearings and their lubricants offers advantages, relative to prior such apparatuses, of (1) a greater degree of automation and (2) capability of...
Briefs: Test & Measurement
Advances in Measurement of Skin Friction in Airflow
The surface interferometric skin-friction (SISF) measurement system is an instrument for determining the distribution of surface shear stress (skin friction) on a wind-tunnel model. The SISF system utilizes the established oil-film interference method, along with advanced image-data-processing...
Briefs: Test & Measurement
Instrument for Aircraft-Icing and Cloud- Physics Measurements
The figure shows a compact, rugged, simple sensor head that is part of an instrumentation system for making measurements to characterize the severity of aircraft-icing conditions and/or to perform research on cloud physics. The quantities that are calculated from measurement data...
Briefs: Imaging
Phase Sensor for Aligning a Segmented Telescope Mirror
A phase sensor has been developed for use in aligning a segmented telescope mirror to within a fraction of a wavelength in piston. (As used here, "piston" signifies displacement of a mirror segment along the optical axis of the telescope.) Such precise alignment is necessary in order to realize...
Briefs: Software
“One-Stop Shopping” for Ocean Remote-Sensing and Model Data
OurOcean Portal 2.0 (http:// ourocean.jpl.nasa.gov) is a software system designed to enable users to easily gain access to ocean observation data, both remote-sensing and in-situ, configure and run an Ocean Model with observation data assimilated on a remote computer, and visualize...
Briefs: Sensors/Data Acquisition
Experiments have shown the stability enhancement of polymeric sensing films on mixing the polymer with colloidal filler particles (submicron-sized) of carbon black, silver, titanium...
Briefs: Test & Measurement
The figure is a simplified schematic diagram of a tilt-sensing unequal-path interferometer set up to measure the orientation of the normal vector of one surface of a cube mounted on a...
Top Stories
Blog: Lighting
A Stretchable OLED that Can Maintain Most of Its Luminescence
Blog: Energy
Batteries that Can Withstand the Cold
INSIDER: Energy
Advancing All-Solid-State Batteries
Quiz: Energy
Blog: Physical Sciences
Blog: Materials
Webcasts
Upcoming Webinars: Test & Measurement
From Spreadsheets to Insights: Fast Data Analysis Without Complex...
Upcoming Webinars: Electronics & Computers
Cooling a New Generation of Aerospace and Defense Embedded...
Upcoming Webinars: Test & Measurement
Beyond AI-Copy-Paste Engineering: Advanced AI-Integration Success...
Upcoming Webinars: Automotive
Battery Abuse Testing: Pushing to Failure
Upcoming Webinars: Internet of Things
A FREE Two-Day Event Dedicated to Connected Mobility
Upcoming Webinars: Test & Measurement
Choosing the Right N-Port Strategy: Multiport VNAs vs. Switch...

