Stories
35
63
61
0
2700
30
Briefs: Photonics/Optics
A charge-coupled-device (CCD) based high-speed imaging system, called a real-time, event-driven (RARE) camera, is undergoing development. This camera is capable of readout from multiple...
Briefs: Photonics/Optics
Optical assemblies are used in an extensive range of technical applications to deliver a laser beam of a certain size, quality, and intensity to a region of space. While different...
Briefs: Photonics/Optics
Piezoelectric diffraction-based optoelectronic devices have been invented to satisfy requirements for switching signals quickly among alternative optical paths in optical communication networks....
Briefs: Photonics/Optics
A design concept has been proposed for an optomechanical apparatus that would implement a variable optical delay line with a fixed angle between its input and output light beams. The apparatus...
Briefs: Photonics/Optics
Mode-locked lasers of a proposed type would incorporate features of the design and operation of previously demonstrated miniature electro-optical modulators and erbium-doped glass lasers that contain...
Briefs: Photonics/Optics
A method of observing the interdiffusion of a pair of miscible liquids is based on the use of a common-path interferometer (CPI) to measure the spatially varying gradient of the...
Briefs: Photonics/Optics
A proposed method of implementing cross connections in an optical communication network is based on the use of a spatial light modulator (SLM) to form controlled diffraction patterns that...
Articles: Photonics/Optics
The advantages of cladding pumping fiber lasers were identified early in the research era of fiber laser technology. Essentially, fiber lasers allow efficient brightness conversion from the broad area pump laser diode into a...
Briefs: Photonics/Optics
ICCD Camera Enables PLIF Technique for Fuel Visualization in Engines
Large-bore, slow-speed, natural gas two-stoke cycle engines used for power generation and gas compression on natural gas pipelines suffer from poor in-cylinder mixing processes caused by ineffective fuel delivery, which can increase emissions and create low engine efficiency...
Briefs: Photonics/Optics
Because the hardware interfaces of IR cameras change frequently, this infrared (IR) camera software suite (RTools™) consists of a set of stand-alone, executable modules...
Briefs: Photonics/Optics
A proposed method of suppressing the effect of background noise in an optical communication system would exploit the transmission and reception of correlated photons at the receiver. The...
Briefs: Photonics/Optics
Curved-focal-plane arrays of back-illuminated silicon-based photodetectors are being developed. The basic idea is to improve the performance of an imaging instrument...
Briefs: Photonics/Optics
Briefs: Photonics/Optics
Scanning tunneling optical resonance microscopy (STORM) is a method, now undergoing development, for measuring optoelectronic properties of materials and devices on the nanoscale by means of a...
Briefs: Photonics/Optics
The Micro-Arcsecond Metrology (MAM) testbed is a ground-based system of optical and electronic equipment for testing components, systems, and engineering concepts for the Space Interferometer Mission (SIM)...
Articles: Photonics/Optics
No single image sensor will ever satisfy the diverse requirements of all industrial camera applications. The characteristics of higher resolution, faster speed, and a wide dynamic range are, however, increasingly...
Briefs: Photonics/Optics
Six Classes of Diffraction-Based Optoelectronic Instruments
Six classes of diffraction-based optoelectronic instruments have been invented as means for wavelength-based processing of light. One family of anticipated applications lies in scientific instrumentation for studying chemical and physical reactions that affect and/or are affected...
Briefs: Photonics/Optics
PC-based machine vision systems are becoming more powerful as the individual components that comprise them increase in performance. This has allowed for more complex algorithms to be developed...
Briefs: Photonics/Optics
An improved version of an optoelectronic apparatus for measuring distances of the order of tens of feet with an error no larger than a small fraction of an inch (a few millimeters) has...
Briefs: Photonics/Optics
The ability to detect the temperature differences of objects is vitally important to firefighters, who must often open doors that lead to fires and identify the seat and extension...
Briefs: Photonics/Optics
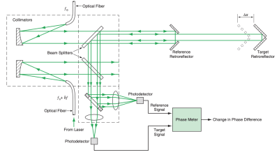
An optical heterodyne interferometer that can be used to measure linear displacements with an error -20 pm has been developed. The remarkable accuracy of this interferometer is achieved...
Briefs: Photonics/Optics
Multi-scale retinex with color restoration (MSRCR) is a method of processing digital image data based on Edwin Land's retinex (retina + cortex) theory of human color vision. An...
Briefs: Photonics/Optics
An instrumentation system that would include an ultraviolet (UV) laser or light-emitting diode, an infrared (IR) laser, and the equivalent of an IR Raman spectrometer has been proposed to...
Briefs: Photonics/Optics
Next-generation thermal load sensors, or combo sensors, optimize climate control and lighting in "intelligent automobiles," thereby enhancing the comfort and safety of drivers and passengers....
Briefs: Photonics/Optics
Focal-plane arrays of quantum-well infrared photodetectors (QWIPs) equipped with both light-coupling diffraction gratings and metal side reflectors have been proposed, and prototypes are...
Briefs: Photonics/Optics
Metallized Capillaries as Probes for Raman Spectroscopy
A class of miniature probes has been proposed to supplant the fiber-optic probes used heretofore in some Raman and fluorescence spectroscopic systems. A probe according to the proposal would include a capillary tube coated with metal on its inside to make it reflective. A microlens would be...
Briefs: Photonics/Optics
According to a proposal, basic x-ray lithography would be extended to incorporate a technique, called "inverse tomography," that would enable the fabrication of microscopic...
Briefs: Photonics/Optics
Learning algorithms for machine vision are essential for many of the applications that require inspection and guidance. These algorithms typically require some type of learning...
Briefs: Photonics/Optics
Photovoltaic arrays of the rainbow type, equipped with light-concentrator and spectral-beam-splitter optics, have been investigated in a continuing effort to develop lightweight, high-efficiency solar...
Top Stories
Blog: Lighting
A Stretchable OLED that Can Maintain Most of Its Luminescence
INSIDER: Energy
Advancing All-Solid-State Batteries
Blog: Energy
Batteries that Can Withstand the Cold
Blog: AR/AI
My Opinion: We Need More Power Soon — Is Nuclear the Answer?
Quiz: Power
Blog: Design
Webcasts
On-Demand Webinars: Transportation
Quiet, Please: NVH Improvement Opportunities in the Early Design Cycle
Upcoming Webinars: Test & Measurement
From Spreadsheets to Insights: Fast Data Analysis Without Complex...
Upcoming Webinars: Aerospace
Cooling a New Generation of Aerospace and Defense Embedded...
Upcoming Webinars: AR/AI
Beyond AI-Copy-Paste Engineering: Advanced AI-Integration Success...
Upcoming Webinars: Energy
Battery Abuse Testing: Pushing to Failure

