Stories
61
0
0
0
Briefs: Information Technology
A mathematical model describes the evaporation of drops of a hydrocarbon liquid composed of as many as hundreds of chemical species. The model is intended especially for application to any of...
Briefs: Information Technology
A Robustly Stabilizing Model Predictive Control Algorithm
A model predictive control (MPC) algorithm that differs from prior MPC algorithms has been developed for controlling an uncertain nonlinear system. This algorithm guarantees the resolvability of an associated finite-horizon optimal-control problem in a receding horizon implementation. Given...
Briefs: Mechanical & Fluid Systems
Development of Vapor-Phase Catalytic Ammonia Removal System
A report describes recent accomplishments of a continuing effort to develop the vapor-phase catalytic ammonia removal (VPCAR) process for recycling wastewater for consumption by humans aboard a spacecraft in transit to Mars. The VPCAR process is implemented by a system of highly integrated...
Briefs: Mechanical & Fluid Systems
Several Developments in Space Tethers
Five reports address different aspects of development of tethers to be deployed from spacecraft in orbit around the Earth. The first report discusses proposed optoelectronic tracking of retroreflective objects located at intervals or of retroreflective coats along the entire length of a tether to measure...
Briefs: Mechanical & Fluid Systems
Design Concept for a Nuclear Reactor-Powered Mars Rover
A report presents a design concept for an instrumented robotic vehicle (rover) to be used on a future mission of exploration of the planet Mars. The design incorporates a nuclear fission power system to provide long range, long life, and high power capabilities unachievable through the use of...
Briefs: Mechanical & Fluid Systems
Formation-Initialization Algorithm for N Spacecraft
A paper presents an algorithm to initialize a formation of N distributed spacecraft in deep space. Such formations will enable variable-baseline interferometers in future NASA missions designed to study the structure and origin of the universe. The algorithm described in the paper reflects some...
Briefs: Physical Sciences
DNSs of Multicomponent Gaseous and Drop-Laden Mixing Layers Achieving Transition to Turbulence
A paper describes direct numerical simulations (DNSs) of three-dimensional mixing-layer flows undergoing transition to turbulence; the mixing layers may or may not be laden with evaporating liquid drops. In contrast to most studies in this field, the...
Products
Data Translation, Marlboro, MA, has released Measure Foundry® 5.0 test and measurement software that offers open support of all system standards, including VISA, SCPI, GPIB, USB, PCI, LXI,...
Techs for License
Secure-Document Markup Software
The Portion Marking Verification Tool (PMVT) software automates the process of regulatory document marking. This tool assists users in meeting the mandated requirements for portion marking in sensitive or classified documents. By utilizing PMVT, portion marking can be up to 200–400% faster than traditional review...
Techs for License
Microencapsulation Technology
A flexible, platform microencapsulation technology can be applied to actives from water soluble to water insoluble materials at the 20–35% range; loading levels of up to >50% have been achieved for some actives. The microcapsules protect the actives from environmental conditions, and can be designed to release...
Tech Needs
Thin-Film Solar Cell Technologies
Thin-film technologies are sought for dye-sensitized solar cells that are flexible and printable on a plastic substrate; amorphous silicon/microcrystalline silicon tandem solar cells and textured TCO glass; and copper-indium- gallium-selenide solar cells that are flexible and printable on a plastic or stainless...
Tech Needs
Natural Preservatives for Beverages
Organic antimicrobial chemistries are needed to act as natural preservatives for a variety of beverages. They must be safe, stable, colorless, odorless, and tasteless at the concentration necessary to act as a preservative, and be effective at low concentrations (below 1%). They must extend the overall lifetime...
Application Briefs: Imaging
Star-P interactive parallel computing platform Interactive Supercomputing (ISC) Waltham, MA 781-419-5050 www.interactivesupercomputing.com
NASA’s Optical Systems Characterization and...
Application Briefs: Software
Rational Rose Real-time visual modeling development software IBM Armonk, NY 914-766-1362 www.ibm.com/software/rational
Set to launch by 2013, the James Webb Space Telescope (JWST)...
Articles: Imaging
Machine vision requirements for better performance and higher resolution continue driving developers to incorporate digital cameras into their solutions. This trend will...
Articles: Photonics/Optics
During the past few years, low-cost, continuous-wave (CW) lasers have helped advance a wide range of life and health science applications such as cell sorting, DNA sequencing, confocal...
Blog
New ET Advertisers
This monthly review lets you "meet" the new advertisers appearing in Embedded Technology. Here's a sneak peek at the products, services, and offers available from May's first-time advertisers in ET.
Evans Capacitor Co. (E. Providence, RI) offers capacitors for laser targeting, communications modules, controls, cockpit displays,...
Application Briefs: Photonics/Optics
In today’s “micro world,” complex electrical systems, including analog and digital components, can fit on integrated circuits smaller than a fingernail. Microfluidics, a subset of...
Blog
Current Attractions
Embedded Technology (ET) magazine features board-level electronics and COTS solutions for design engineers, as well as a variety of product offerings.
The May issue of Embedded Technology contains a feature article written by Julien Chouinard, managing director at ICS Triplex ISaGRAF (Montreal, Canada), entitled “Distributed...
Products: Photonics/Optics
The votes are in and the winners of the 2006 Photonics Tech Briefs Readers’ Choice Product of the Year Awards have been selected. The three PTB Products of the Year were presented at a...
Blog
Technologies of the Week
A process is available where dissolved silver or metal ions can be deposited on an electrode by sending an electrical current through an electrolysis cell containing the fluid from which the metal ions need to be recovered.
View this technology here.
Blog
"Nonsense Mutation" Therapy
Medical scientists at PTC Therapeutics (S. Plainfield, NJ) have entered into trials an oral drug therapy aimed at treating Duchenne muscular dystrophy and other genetic conditions caused by “nonsense mutations.” Nonsense mutations inactivate gene function and are known to cause anywhere from five to 70% of the...
Briefs: Photonics/Optics
A carrier structure made from a single silicon substrate is the basis of a compact, lightweight, relatively inexpensive package that holds the main optical/electronic coupling components of...
Briefs: Photonics/Optics
It is now possible to fashion transparent crystalline materials into axisymmetric optical components having diameters ranging from hundreds down to tens of micrometers, whereas...
Briefs: Photonics/Optics
A design has been proposed for a photodetector that would exhibit a high quantum efficiency (as much as 90 percent) over a wide wavelength band, which would typically be centered at a wavelength...
Briefs: Photonics/Optics
An optical beam combiner now under development would make it possible to use the outputs of multiple single-mode laser diodes to pump a neodymium: yttrium aluminum garnet (Nd:YAG)...
Briefs: Photonics/Optics
Optical resonators of the whispering-gallery-mode (WGM) type featuring DC-tunable free spectral ranges (FSRs) have been demonstrated. Previously, the FSRs of WGM optical resonators were...
Briefs: Photonics/Optics
Digital Beam Deflectors Based Partly on Liquid Crystals
A digital beam deflector based partly on liquid crystals has been demonstrated as a prototype of a class of optical beam-steering devices that contain no mechanical actuators or solid moving parts. Such beam-steering devices could be useful in a variety of applications, including free-space...
Products: Photonics/Optics
HORIBA Jobin Yvon (Edison, NJ) released the LS5 software, designed with a kernel-based modular structure. It operates all Raman products including the automated LabRAM ARAMIS, high-resolution LabRAM...
Products: Photonics/Optics
The OptoproxTM from Balluff, Inc. (Florence, KY) is a photoelectric sensor that offers the mounting, aligning, and handling of an inductive proximity sensor without the range limitations of a prox. The device has a focused...
Products: Photonics/Optics
Opto Diode Corp. (Newbury Park, CA) offers the ODA-5W-100M Photodetector Amplifier Combination with 100 Mohm gain. The visible wavelength responsivity at 660 nm is 40 V/μW, and the combination detector-preamps frequency...
Products: Photonics/Optics
The LightningTM Digital Scanner Platform Technology from General Scanning (Billerica, MA) consists of three elements: MPower motors, a Lightning digital servo driver, and the TuneMasterTM software toolset. The MPower Scanner...
Products: Photonics/Optics
Ocean Optics (Dunedin, FL) introduced the portable LIBS2500 laser-induced breakdown spectroscopy system featuring a sensitivity of 10-50 ppm; a series of 2,048-element, linear CCD detectors; and a...
Products: Photonics/Optics
Rolyn Optics (Covina, CA) introduced the VMM 200 high-precision measuring microscope with XY measuring ranges of 150 × 100 or 250 × 150, a Z of 150 mm, and resolution to 0.0001 mm. Magnifications range from 25× to...
Products: Photonics/Optics
Lambda Research Corp. (Littleton, MA) offers the 6.4.3 release of their OSLO lens design software featuring 18 additions augmenting the flexibility and open architecture of the program, allowing the user to modify,...
Products: Photonics/Optics
The Harsh Environment Optics (HEOTM) micro video-imaging lenses from Edmund Optics, Inc. (Barrington, NJ) incorporate optical components inside a sealed, water-resistant optical assembly. Intended for automotive and industrial...
Products: Photonics/Optics
J P Sercel Associates (JPSA, Manchester, NH) released the JSPAControls32 System Control Software, a Windows-based, engineer-level user interface providing control of system devices and software components for system...
Products: Photonics/Optics
DILAS Diode Laser Inc. (Tucson, AZ) introduced a line of fiber-coupled diode-laser modules delivering up to 40 W continuous-wave output power at wavelengths of 808nm, 915nm, 940nm,and 980nm via a 400μm-diameter,...
Products: Photonics/Optics
QPC Lasers, Inc. (Sylmar, CA) offers fiber-coupled semiconductor laser modules for fiber-laser pumping and spectroscopy applications.
Products: Photonics/Optics
Lumitex, Inc. (Strongsville, OH) released a family of products — BendiGloTM, HoloGloTM, CircleGloTM, and Selective LightingTM — based on their existing UniGloTM technology to backlight shapes such as rectangles,...
Briefs: Electronics & Computers
A prototype helmet audio system has been developed to improve voice communication for the wearer in a noisy environment. The system was originally intended to be used in a space suit, wherein noise generated...
Products: Photonics/Optics
Endicott Research Group (Endicott, NY) released the Smart ForceTM family of LED driver solutions for high-bright LEDs (HBLEDs) used in LCD backlighting applications. Available as a LED driver board or a complete kit including driver...
Briefs: Software
Program Analyzes Spacecraft/Ground Radio Links
A versatile computer program analyzes the link-design control table necessary for designing the telecommunication subsystem of a spacecraft in orbit around the Earth or on a deep-space mission. The program helps to calculate all the important parameter values for spacecraft-to-ground telemetry links...
Products: Photonics/Optics
The portable FiBOTM 300 true phase shifting Michelson interferometers from PROMET International, Inc. (Shoreview, MN) are designed for 3D surface mapping and visual defect evaluation capability. Features include...
Briefs: Mechanical & Fluid Systems
A proposed electromechanical display system would be capable of presenting as many as six distinct messages. This system would be a more capable and more complex successor to the proposed system...
Products: Photonics/Optics
Orbits Lightwave, Inc. (Pasadena, CA) has added up to a 20 GHz mode hop free fast tuning option to its line of EthernalTM fiber lasers.
Briefs: Electronics & Computers
Equipment and techniques used in radio-frequency identification (RFID) would be extended, according to a proposal, to enable short-range, two-way communication between electronic...
Products: Photonics/Optics
EXFO Electro-Optical Engineering Inc. (Quebec City, Canada) introduced the FTB-8105 T-Carrier/PDH Transport Blazer test module as part of the Transport Blazer line. The unit tests digital-signal levels and plesio-synchronous digital...
Products: Photonics/Optics
The Andor iDus InGaAs detector array system from Andor Technology (Belfast, N. Ireland) is a spectroscopic detector with 512 or 1,024 element linear photodiode arrays for near-infrared spectroscopy. The resolution covers...
Briefs: Electronics & Computers
A proposed optoelectronic system, to be mounted aboard an exploratory robotic vehicle, would be used to generate a three-dimensional (3D) map of nearby terrain and obstacles for...
Articles: Electronics & Computers
In the early days of modern automation, the use of microprocessor technology addressed the need for fast and efficient configuration of control logics through graphical methods...
Articles: Electronics & Computers
MicroTCA is a new specification that offers very high performance packed in a small form factor. The new specification is expected to be used in a wide variety of applications, including mil/aero, telecom edge,...
Articles: Electronics & Computers
As embedded computing systems become more powerful, so are the challenges to protect and cool the payload. In the past few years, we have seen the power of a single board increase in most...
Application Briefs: Electronics & Computers
Data-Centric Network Integration Takes Headaches Out of Avionic Upgrades
Avionics systems are becoming more powerful and more dependent upon data exchanged between instruments. These instruments and subsystems reside on a network and must share time-critical data to achieve their mission. For example, targeting systems require real-time input of...
Products: Electronics & Computers
MEN Micro, Inc. (Ambler, PA) introduced the Universal Submodule (USM) development packages for M-Modules and PMCs that turn specialized I/O requirements into a series of standard products. The product...
Products: Electronics & Computers
United Electronics Industries (UEI, Canton, MA) has released the DNA-AO-308 series of analog output boards for PowerDNA DAQ Cubes. Each board has eight analog output channels with maximum update rates to 100 kHz per channel...
Products: Electronics & Computers
Single-Board Computers
Aitech Defense Systems, Inc. (Chatsworth, CA) has expanded the C900 series of rugged 3U CompactPCI (cPCI) single-board computers (SBCs) with the C903, available in air- or conduction-cooled models; both conform to PICMG 2.0 R3.0 and ANSI/VITA 30.1-1991 specifications, respectively.
Products: Electronics & Computers
Linear Technology Corp. (Milpitas, CA) offers the LTC4242, a narrow, dual-slot PCI Express Hot Swap™ controller for mid-range networking or storage servers and embedded applications. The device simplifies the...
Products: Imaging
Flomerics, Inc. (Marlborough, MA) released the Flopack V6.2 version of its Web-based SmartPart library that generates thermal models for IC packages, standard test harnesses, and associated parts.
Products: Electronics & Computers
Microprocessor & SBC
Radstone Embedded Computing (Billerica, MA) released two versions of its 6U VPX form factor family, the DSP230 and the SBC610. Both are "AXISenabled" — they support Radstone's AXIS Advanced Multiprocessor Integrated Software. VME interoperability is featured at the board level, allowing integration between the 6U VPX line...
Products: Electronics & Computers
As part of the SeaDAC family of USB data acquisition devices, Sealevel Systems, Inc. (Liberty, SC) introduced the SeaDAC PLC-16H digital I/O module featuring eight single-pole, doublethrow (SPDT), high-current Form C outputs...
Products: Electronics & Computers
User-Configurable Digital I/O FPGA Module
The IP-EP200 series Industry Pack I/O modules from Acromag (Wixom, MI) interface digital I/O signals to a user-configurable Altera® Cyclone™ II FPGA. With JTAG access to the SignalTap® II embedded logic analyzer, users can monitor internal device operation.
Products: Electronics & Computers
Nexcom (Fremont, CA) offers the PEAK 8920VL2, a PICMG 1.3 System Host Board (SHB)-Express Computer. The device has dual LGA771 sockets and supports two 5100 Series Quad-Core Intel® Xeon®...
Products: Electronics & Computers
Pentek, Inc. (Long Beach, CA) introduced the Model 7141-703 PMC/XMC module, featuring two 14-bit, 125 MHz A/Ds and a Xilinx Virtex-II Pro field programmable gate array (FPGA).
Products: Electronics & Computers
Emerson Network Power (Madison, WI) offers the EMC6000 and EMC6200 MicroTCA system series. Available in 12- and 24-slot versions (the EMC6000 and EMC6200, respectively), both feature a high-speed switched fabric, an air...
Products: Electronics & Computers
North Atlantic Industries (Bohemia, NY) has released the 76C2 PCI card that features three modules, and is a universal, multi-functional, half-slot card.
Products: Electronics & Computers
Arcom (Kansas City, KS) has introduced the 400 MHz VIPER and 200 MHz VIPER-Lite entry-level embedded Linux Development Kits to support the PXA255 XScalebased single-board computers (SBCs). The units are smallfootprint...
Products: Electronics & Computers
MOXA Technologies (Brea, CA) has announced the ThinkCore W300 Series of embedded wireless computers, including the models W311, W321, and W341. The computers are designed specifically for use...
Products: Electronics & Computers
Mezzanine Card Based on Altera FPGAs
BittWare (Concord, NH) has released the GX-AMC (GXAM) FPGA-only board based on Altera Corporation's high-density field-programmable gate arrays (FPGAs). The Advanced Mezzanine Card (AdvancedMC) uses the Altera Stratix II GX FPGA for development and deployment of systems such as wireless infrastructure.
Products: Electronics & Computers
Fairchild Semiconductor (South Portland, ME) offers the FSUSB30, a low-power, two-port, high-speed USB 2.0 switch that augments board real estate and downloading performances. The unit combines >720 MHz bandwidth (needed to...
Products: Electronics & Computers
Elma Electronic, Inc. (Freemont, CA) has released the Type 39 2U EasyPlug CompactPCI enclosures. The Type 39c HA line features 9U cPCI backplanes that include pluggable 47-pin connectors for hot-swapping power supplies....
Products: Electronics & Computers
Gbps channel Fibre Channel (FC) PMC card designed for high-bandwidth data communications and storage applications. The card supports both SCSI Fibre Channel Protocol (FCP) and Internet Protocol (IP), including both File...
Products: Electronics & Computers
Trenton Technology (Atlanta, GA) offers the MCX/MCG system host boards with dual multi-core processors in numerous configurations for demanding computing applications. MCX-series boards are...
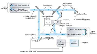
Briefs: Electronics & Computers
Scanning terahertz heterodyne imaging systems are now at an early stage of development. They were recently conceived as means of probing biological specimens and samples of materials to obtain...
Briefs: Electronics & Computers
A timing system comprising an electronic master clock and a subsystem for distributing time signals from the master clock to end users is undergoing development to satisfy anticipated timing...
Briefs: Electronics & Computers
The figure is a simplified diagram of an apparatus, now undergoing development, for range imaging based on measurement of the round-trip phase delay of a pulsed laser beam. Variants of this...
Briefs: Electronics & Computers
A bar-code system (see figure) has been assembled for a microbiological laboratory that must examine a large number of samples. The system includes a commercial bar-code reader, computer hardware...
Briefs: Semiconductors & ICs
A radial probe transition between a monolithic microwave integrated circuit (MMIC) and a waveguide has been designed for operation at frequency of 340 GHz and to be fabricated as part of...
Briefs: Semiconductors & ICs
The first solid-state amplifier capable of producing gain at a frequency >215 GHz has been demonstrated. This amplifier is an intermediate product of a continuing effort to develop amplifiers...
Briefs: Software
Better Finite-Element Analysis of Composite Shell Structures
A computer program implements a finite-element-based method of predicting the deformations of thin aerospace structures made of isotropic materials or anisotropic fiber-reinforced composite materials. The technique and corresponding software are applicable to thin shell structures in...
Briefs: Software
Computing Spacecraft-Pointing Vectors for Limb Tracking
LMBTRK is a computer program that is used together with two software libraries known as ERHAND and HYBRRD to generate spacecraft-pointing vectors for limb-tracking maneuvers needed for experiments on propagation of radio signals through planetary atmospheres. LMBTRK determines, as a function...
Briefs: Software
Enhanced Master Controller Unit Tester
The Enhanced Master Controller Unit Tester (EMUT) software is a tool for development and testing of software for a master controller (MC) flight computer. The primary function of the EMUT software is to simulate interfaces between the MC computer and external analog and digital circuitry (including other...
Briefs: Software
Rover Graphical Simulator
Rover Graphical Simulator (RGS) is a package of software that generates images of the motion of a wheeled robotic exploratory vehicle (rover) across terrain that includes obstacles and regions of varying traversability. The simulated rover moves autonomously, utilizing reasoning and decision-making capabilities of a...
Briefs: Materials
Thermally sprayed dielectric ceramic coatings are the primary means of attaching strain and temperature gauges to hot-section rotating parts of turbine engines. As hot-section temperatures...
Briefs: Materials
In experiments conducted as part of a continuing effort to incorporate multifunctionality into advanced composite materials, blends of multi-walled carbon nanotubes and a resin denoted "PETI-330"...
Briefs: Materials
The term "secondary polymer layered impregnated tile" ("SPLIT") denotes a type of ablative composite-material thermal- insulation tiles having engineered, spatially non-uniform...
Briefs: Manufacturing & Prototyping
An automated apparatus has been designed and constructed that enables the automated lay-up of composite structures incorporating films, foils, and adhesives during the...
Briefs: Manufacturing & Prototyping
Radiation-Shielding Polymer/Soil Composites
It has been proposed to fabricate polymer/soil composites primarily from extraterrestrial resources, using relatively lowenergy processes, with the original intended application being that habitat structures constructed from such composites would have sufficient structural integrity and also provide...
Who's Who: Aerospace
Supersonic speed would allow travelers to cut significantly their travel time. However, because of the resulting sonic booms, the Federal Aviation Administration...
Briefs: Physical Sciences
An improved statistical model has been developed to describe the chemical composition of an evaporating multicomponent- liquid drop and of the mixture of gases surrounding the drop. The...
Briefs: Physical Sciences
An electrochemical method of disposal of hydrazines dissolved in water has been devised. The method is applicable to hydrazine (N2H4), to monomethyl hydrazine [also denoted by MMH or by its...
Briefs: Physical Sciences
Resistively Heated SiC Nozzle for Generating Molecular Beams
An improved nozzle has been developed to replace nozzles used previously in an apparatus that generates a substantially unidirectional beam of molecules passing through a vacuum at speeds of several kilometers per second. The need to replace the previous nozzles arose from a complex set...
Blog: Photonics/Optics
Laser System
MIT researchers have developed a new type of laser based on Optical Coherence Tomography (OCT) for taking high-resolution, 3D images of the retina. OCT uses light to obtain high-resolution, cross-sectional images of the eye to visualize subtle changes that occur in retinal disease.
Blog: Photonics/Optics
Tech Needs of the Week
A high-birefringence optical material is needed suitable for implementation in optical systems. The material also should feature high hardness making it amenable to standard polishing and manufacturing processes, low CTE (coefficient of thermal expansion), low CTRI (coefficient of thermal refractive index), low absorption at...
Blog
Current Attractions
Measure Foundry(R) 5.0 test and measurement software from Data Translation, (Marlboro, MA) was named NTB's Product of the Month for May. The software offers open support of all system standards, including VISA, SCPI, GPIB, USB, PCI, LXI, PXI/VXI, and RS-232. The application builder software enables users to graphically combine...
Blog
White Paper
Still using duct tape and cardboard to predict thermal gotchas? Got a PhD thermal specialist stashed in the backroom? That ain't gonna cut it anymore. Read this eight-page report and learn to build thermal management into your corporate DNA.
Blog
Event Alert
NASA Tech Briefs and the Voice of the Customer Institute recently announced a joint agreement to conduct a series of national seminars on the Voice of the Customer. This discipline helps businesses identify and prioritize customer needs, while training employees to conduct exercises to obtain this information independently. The results...
Blog
NASA News
On Thursday, May 3, Peter Homer of Southwest Harbor, ME, won $200,000 from NASA for his entry in the Astronaut Glove Challenge. Homer's glove design performed better overall than the competition in tests that rated the glove's strength, flexibility, and comfort. Homer's innovations in finger dexterity could enhance NASA's future astronaut...
Blog
Technology Business Need
A global 500 European company is seeking new piezoelectric materials. Esaote Biomedica is seeking high-performance, affordable, piezoelectric material plates for medical sonography applications. Direct financing is available. For more information, click here.
Blog: Photonics/Optics
Current Attractions
As noted in the article "Mini CW Lasers Enable Next-Generation Bioinstrumentation" in May's edition of Photonics Tech Briefs (PTB), continuous-wave (CW) lasers have helped advance research in fields such as cell sorting and DNA sequencing. Written by Jurgen Niederhofer, product manager of Newport's Spectra-Physics Lasers...
Blog
New Solar Cell Increases Efficiency and Lowers Cost
Scientists at the University of New South Wales (UNSW, Sydney, Australia) developed a process to boost the efficiency of solar cell technology that also lowers the total cost. The UNSW researchers deposited a thin film of silver onto a solar cellÂ’s surface and then
heated it to 200 degrees...
Blog
Techs of the Week: Fire-Retardant Technology
Technologies are available to improve fire-retardant effectiveness of melamine systems in nylon.
More information here.
A fire-retardant compound is available that is comprised of one fibrous layer and a layer comprised of a particulate fire-retardant material.
More information here.
The Technologies...
Blog
Current Attractions: Leslie Molzahn of NASAÂ’s Dryden Flight Research Center
Supersonic speed would allow travelers to cut significantly their travel time, but due to the resulting sonic booms, the Federal Aviation Administration (FAA) and similar bodies restrict supersonic travel to transoceanic only. To solve this problem, Gulfstream Aerospace...
Blog
Raman Software Named PTB Product of the Month
The LS5 software from HORIBA Jobin Yvon (Edison, NJ) has been named Photonics Tech BriefsÂ’ (PTB) Product of the Month for May. Designed with a kernel-based modular structure, it operates all Raman products including the automated LabRAM ARAMIS, high-resolution LabRAM HR, and T64000 triple...
Blog
Fully Integrated Prosthetic Arm Provides Sensory Feedback
A research team led by the Johns Hopkins University Applied Physics Laboratory has developed a prototype of the first fully integrated prosthetic arm that can be controlled naturally, provides sensory feedback, and allows for eight degrees of freedom. Proto 1 is a complete limb system that...
Blog
Tech Needs of the Week
An organization seeks new orthobiologic technologies (bone replacement materials and antibiotical carriers) that stimulate bone growth in spinal fusion repairs. They also are seeking FDA-approved materials with strength and stiffness close to cortical bone.
To respond to this Tech Need, click here.
Blog
System Turns Medical Data into Interactive 3D Images
New data-display technology developed at Kent State University will provide doctors with an improved ability to evaluate commonly used medical images. The technology allows for interactive viewing of large image data sets from virtually any medical imaging device. The new system is compatible...
Blog
Less Than One Week Left to Submit Your NNEC Abstract!
The National Nano Engineering Conference (NNEC), being held November 14-15 at the Boston Marriott Copley Place, is the premier event focused on current and future developments in engineering innovations at the nanoscale, as well as the commercialization of nanotechnology.
Presentations on...
Blog
Device Tracks Ad Effectiveness By Monitoring Eye Movement
A device developed at Queen's University (Canada) provides a unique way for advertisers to track the effectiveness of their messages by measuring how many people are looking at their billboards and screens. Called eyebox2(TM), the portable device uses a camera that monitors eye movements in...
Blog
Technology Business Brief
This device is available for use in a wide range of applications including advanced printing systems, patterning photoresist during IC manufacture, and creating masks or reticles for projection-type photolithography systems.
More information here.
Blog
New Device Could Lead to Sleep on Demand
Dr. Giulio Tononi, a professor of psychiatry at the University of Wisconsin School of Medicine and Public Health, has discovered how to stimulate brain waves that characterize the deepest stage of sleep. The discovery could open a new window into the role of sleep in keeping humans healthy, happy, and able...
Blog
Techs of the Week: Web-Based Application Protection
A software-based Web application firewall called DotDefender(TM) is deployed as a Web server plug-in to identify and stop attacks that attempt to exploit vulnerabilities in Web applications. Protection is provided through a combination of three security engines: pattern recognition, session...
Blog
Current Attractions: Focus on Communications
Each month, NTB highlights tech briefs related to a particular area of technology in a special section known as Technology Focus. Here's
an Insider look at the May focus on Communications.
Noise-Canceling Helmet Audio System
NASA's John Glenn Research Center has developed a helmet audio system to...
Blog
Robotic Rotary Motor Runs on Compressed Air
Researchers at Engineair Pty Ltd. (Melbourne, Australia) have designed a rotary air engine called the Di Pietro motor, whose concept is based on a rotary piston and is driven by compressed air. The motor uses a cylindrical rotary piston that rolls inside the cylindrical stator. The space between stator...
Blog
Coming Attractions: Linear Scales in Thermonuclear Ignition System
Motion Control Technologyâ„¢, a bi-monthly supplement to NASA Tech Briefs, contains a section called Applications, which reports on motion control components being used in the field. Here's an Insider sneak peek at one of the technologies covered in the upcoming June...
Blog
"Fly-By-Wire" Flap Actuator System Developed for Light Jet
Eaton Corporation (Irvine, CA) partnered with Embraer (Brazil) in the development of a "fly-by-wire" wing flap actuator system, developed specifically for the new Embraer Phenom 100 Very Light Jet (VLJ). Fuselage construction began in March.
Traditional mechanical flap systems feature...
Blog
New on the Market: Incremental Encoders and Linear Shafts
Alpha Gear Drives
(Bartlett, IL) released the low-backlash Alphira(TM) Servo Planetary Gearheads for low-end applications. For cyclic and continuous operation, and with a 20,000-hour service life, the unit comes in four sizes and features five reduction ratios.
Click here to learn...
Blog
NASA-Funded Robotic Sub Explores Earth's Deepest Sinkhole
Scientists have begun the final leg of a five-year, NASA-funded mission to reach the bottom of Cenote Zacatón in Mexico, the world's deepest known sinkhole. Using the Deep Phreatic Thermal Explorer (DEPTHX), scientists aim to learn more about Cenote Zacatón's physical dimensions, the...
Blog
Tech Needs: Delivery System for Controlled Release of Actives
A technology is needed to enable delivery of active compositions/components triggered at a specific time and/or in a specific place. The delivery mechanism could be triggered by a large range of conditions, and can comprise a new chemistry formulation, modification of an existing...
Blog: Energy
Revolutionary Stove Could Help Reduce Poverty
Led by the School of Electrical and Electronic Engineering at The University of Nottingham (U.K.), a research team is using thermoacoustic technology for the first time to convert biomass fuels into energy to power a combination stove, refrigerator, and generator. Part of the ~$4M SCORE (Stove for...
Blog
VITA Announces Partnership with ABP International
VITA, the trade association dedicated to fostering ANSI-accredited, open- system architectures in a variety of critical embedded system applications, announced that ABP International (ABPI) has become a VITA Media Partner (VMP) focusing on the technologies, products, and trends directly associated...
Blog
Quantum Dot Photodetectors Could Spawn New Imaging Techniques
Researchers at Northwestern University's Center for Quantum Dots (CQD) have developed new quantum dot infrared photodetectors (QDIPs) that could result in new imaging techniques for medical and biological imaging, night vision, and infrared imaging from space. Using nanotechnology to...
Blog
Techology Business Brief
A method and system allow you to combine inductive coupling for remote power and data transmission and capacitive coupling, while the IC card is attached to the terminal in order to transfer a large amount of energy.
For more information, click here.
The Technology Business Briefs portray licensing or selling opportunities...
Blog: Imaging
Current Attractions
Imaging Technology(TM), a supplement to NASA Tech Briefs published three times a year, contains a special section called Applications. Here's an Insider preview of an Application story in the automotive field in the June issue:
Infrared Night Vision Expands What Drivers Can "See"
Seven years ago, General Motors (GM) became the...
Blog
Sensor/Actuator System Wins NASA Invention of the Year
A team from Langley Research Center in Hampton, VA, has been awarded the 2006 NASA Government Invention of the Year for the MacroFiber Composite Actuator and Sensor (MFC), an actuator and sensor system that is more durable than a piezoelectric system, and provides increased unidirectional...
Blog
Techs of the Week: Gas Sensing and Monitoring
CLEANSENS is a non-dispersive infrared gas photometer used to measure the presence and concentration of high-GWP (Global Warming Potential) gases, including HFCs, PFCs, and SF6. It uses a patented dual-beam sensor to achieve a very wide dynamic range of detection. The sensor employs an electrically...
Blog: Photonics/Optics
Custom Contacts
University of Rochester (New York) researchers have developed custom- designed contacts for people with keratoconic eyes, which are rare but disabling. From the side, the eyes look more pointed or cone-shaped than round. The condition causes people to see halos, and double and triple images. About 1 in 2,000 people suffer from the...
Blog
"Private" Surveillance
The Laser-Based Item Monitoring System (LBIMS), developed by researchers at the Department of Energy's Oak Ridge National Laboratory, balances the need for high-resolution monitoring and personal safety with confidentiality and personal privacy. Using low-cost reflective tags placed on objects, LBIMS maps the precise location...
Blog
NASA News
A patch of Martian soil analyzed by NASA's rover Spirit is so rich in silica that it may provide some of the strongest evidence yet that ancient Mars was much wetter than it is now. The processes that could have produced such a concentrated deposit of silica require the presence of water.
Blog
Tech Needs of the Week
A method is needed to visually detect the presence of pathogenic bacteria or microbes on human hands regardless of the presence of beneficent micro- organisms and without killing the latter. The solution must be safe for humans and easily applicable by a common user.
To respond to this Tech Need click here.
Blog
Hazardous-Materials Detection
Researchers at Purdue University are developing a system that uses
mathematical models and sensors to locate passengers releasing hazardous materials or pathogens inside airline cabins. The research has shown that the technique can track a substance to an area the size of a single seat.
The technique, called "inverse...
Blog
Improved Plastics
A team of researchers at the California Institute of Technology (Caltech) has uncovered certain properties of shish-kebabs -- tiny structures that can form when polymers crystallize during flow -- that should lead to improved materials in the most widely used plastics.
Shish-kebabs are made of polymers known as polyolefins. In...
Blog
First Responder Software
First responders will be able to better prepare individuals with special needs thanks to new open-source software developed at the U.S. Department of Energy's Argonne National Lab. The Special Population Planner software is an extension to commercial ArcView Geographic Information Systems (GIS) software, and provides a...
Blog
Technologies of the Week
This invention provides low-molecular-weight polyesters and polyamides useful
for flushing wet pigments and manufacturing color concentrates. More specifically, the compositions of the invention are effective for flushing wet pigments, producing pigment dispersions, and then producing colored polymers with the pigment...
Blog: Software
NASA Innovative Partnership
As part of NASA's Partnership Seed Fund program, Goddard Space Flight Center is integrating the ILIADS software, a geospatial information system (GIS) it developed for lunar applications, with Questus(TM), a management and planning software tool developed by United Space Alliance (USA) for space shuttle operations. The...
Blog
NASA News
NASA's Solar and Heliospheric Observatory (SOHO) now enables scientists to forecast solar radiation storms, giving future astronauts time to seek shelter and ground controllers time to safeguard satellites. The new method offers as much as one-hour advance notice when a storm is approaching.
Blog
Tech Needs of the Week
A global specialty chemical company is seeking innovative "green" renewable raw materials, products, and processes for replacement of existing non- environmentally friendly solvents, while not compromising the performance or significantly increasing the cost.
To respond to this Tech Need click here.
Blog: Electronics & Computers
Coming Attractions
This monthly review lets you "meet" the new advertisers appearing in NTB and its supplements. Here's a sneak peek at the products, services, and offers available from May's first-time advertisers.
3Dconnexion (San Jose, CA) is a provider of 3D navigation devices for 3D design and visualization applications.
Blog
Alternative Fuel
Researchers at Virginia Tech, Oak Ridge National Laboratory, and the University of Georgia have proposed using polysaccharides, or sugary carbohydrates, from biomass to directly produce low-cost hydrogen for the new hydrogen economy.
Top Stories
Blog: Power
My Opinion: We Need More Power Soon — Is Nuclear the Answer?
Blog: AR/AI
Aerial Microrobots That Can Match a Bumblebee's Speed
News: Energy
Blog: Electronics & Computers
Turning Edible Fungi into Organic Memristors
Blog: Robotics, Automation & Control
Microscopic Swimming Machines that Can Sense, Respond to Surroundings
INSIDER: Sensors/Data Acquisition
Webcasts
Upcoming Webinars: Power
Hydrogen Engines Are Heating Up for Heavy Duty
Upcoming Webinars: Semiconductors & ICs
Advantages of Smart Power Distribution Unit Design for Automotive...
Upcoming Webinars: Automotive
Quiet, Please: NVH Improvement Opportunities in the Early Design...
Upcoming Webinars: AR/AI
From Spreadsheets to Insights: Fast Data Analysis Without Complex...
Upcoming Webinars: Power
A FREE Two-Day Event Dedicated to Connected Mobility
Podcasts: Aerospace
SiPhog Technology: Enabling GPS‑Independent Flight for Uncrewed Aerial...

