33
61
169
-1
1710
30
Briefs: Electronics & Computers
The combination of a de-embedding technique and a direct on-substrate measurement technique has been devised to enable measurement of the electrical characteristics (impedances,...
Briefs: Electronics & Computers
A proposed design for a phased array fed cylindrical reflector microwave antenna would enable enhancement of the radiation pattern through partially adaptive amplitude and phase control...
Briefs: Electronics & Computers
A command interface application-specific integrated circuit (ASIC) and an analog interface ASIC have been developed as a chip set for remote actuation and monitoring of a collection of...
Briefs: Electronics & Computers
Figure 1 shows a three-stage monolithic microwave integrated circuit (MMIC) power amplifier that features high-electron-mobility transistors (HEMTs) as gain elements. This amplifier is designed to...
Briefs: Electronics & Computers
An apparatus that is extremely effective in dispensing a wide range of droplets has been developed. This droplet dispenser is unique in that it utilizes a droplet bias voltage, as well as an ionization pulse, to...
Briefs: Electronics & Computers
Network Extender for MIL-STD-1553 Bus
An extender system for MIL-STD-1553 buses transparently couples bus components at multiple developer sites. The bus network extender is a relatively inexpensive system that minimizes the time and cost of integration of avionic systems by providing a convenient mechanism for early testing without the need to...
Briefs: Electronics & Computers
Some prototype parts of a digital beam-forming (DBF) receiver that would operate at multigigahertz carrier frequencies have been developed. The beam-forming algorithm in a DBF...
Briefs: Electronics & Computers
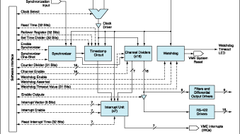
The Real-Time Interferometer Control Systems Testbed (RICST) timing board is a VersaModule Eurocard (VME)-based board that can generate up to 16 simultaneous, phase-locked timing signals at a rate defined...
Briefs: Electronics & Computers
A proposed tracking receiver system containing three suitably positioned antenna elements and special signal-processing equipment would determine the direction of incidence of a...
Briefs: Electronics & Computers
The new high-speed interconnect standards will dramatically change the way computer and communication systems are designed. Switch- based systems will be the winners in new high-performance designs,...
Briefs: Electronics & Computers
A computer-based simulation system creates a visual and haptic virtual environment for training a medical practitioner in laparoscopic surgery. Heretofore, it has been common practice to...
Briefs: Electronics & Computers
The designs of microscopic toroidalcore inductors in integrated circuits of DC-to-DC voltage converters would be modified, according to a proposal, by filling the gaps in the cores with...
Briefs: Electronics & Computers
Improved autoassociative neural networks, denoted nexi, have been proposed for use in controlling autonomous robots, including mobile exploratory robots of the biomorphic type. In comparison with...
Briefs: Energy
A unique safety flasher powered by photovoltaic cells and ultracapacitors has been developed. Safety flashers are used wherever there are needs to mark actually or potentially hazardous...
Briefs: Aerospace
The F-15 Advanced Controls Technology for Integrated Vehicles (ACTIVE) airplane (see figure) was the test bed for a flight test of an intelligent flight control system (IFCS). This IFCS...
Briefs: Electronics & Computers
Sensor packages that would be dropped from airplanes have been proposed for pre-eruption monitoring of physical conditions on the flanks of awakening volcanoes. The purpose of such...
Briefs: Electronics & Computers
An effort is under way to develop capacitive sensors for measuring the masses of cryogenic fluids in tanks. These sensors are intended to function in both microgravitational and normal...
Briefs: Electronics & Computers
Microstrip patch antennas of a proposed type would be tunable over broad wavelength ranges. These antennas would be attractive for use in a variety of microwave communication systems in which there are...
Briefs: Electronics & Computers
An ultra-high-frequency microstrip-patch antenna has been built for use in airborne synthetic-aperture radar (SAR). The antenna design satisfies requirements specific to the GeoSAR...
Briefs: Electronics & Computers
A monolithic microwave integrated circuit (MMIC) that includes a high-electron-mobility transistor (HEMT) has been developed as a prototype of improved frequency doublers for generating signals at frequencies...
Briefs: Electronics & Computers
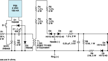
GPS Position and Heading Circuitry for Ships
Circuit boards that contain radio-frequency (RF) and digital circuitry have been developed by NASA to satisfy a requirement of the Port of Houston Authority for relatively inexpensive Global Positioning System (GPS) receivers that indicate the azimuthal headings as well as the positions of ships. The...
Briefs: Electronics & Computers
A proposed safety system would effect an inhibitory action when- ever a power tool was aimed in a direction outside a prescribed range of allowable directions. The power tool could be a...
Briefs: Electronics & Computers
A simple technique has been devised to reduce the number of lead wires needed to connect an array of thermocouples to the instruments (e.g., voltmeters) used to read their output voltages....
Briefs: Electronics & Computers
Devices that look and function much like conventional zippers on clothing have been proposed as connectors for flexible electronic circuits. Heretofore, flexible electronic circuits have...
Briefs: Electronics & Computers
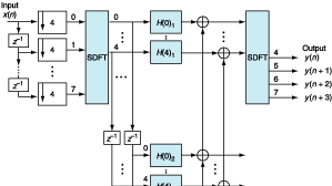
Novel architectures based on parallel subconvolution frequency-domain filtering methods have been developed for modular processing rate reduction of discrete-time pulse-shaping filters. Such...
Briefs: Electronics & Computers
ModalMax is a very innovative means of harnessing the vibration of a piezoelectric actuator to produce an energy efficient low-profile device with high-bandwidth high-fidelity audio response. The...
Briefs: Electronics & Computers
The figure depicts a solar photovoltaic power station in which ultracapacitors, rather than batteries, are used to store energy. Developments in the semiconductor industry have reduced...
Briefs: Electronics & Computers
Parallel Subconvolution Filtering Architectures
These architectures are based on methods of vector processing and the discrete Fourier transform/inverse discrete Fourier transform (DFT-IDFT) overlap and save method, combined with time-block separation of digital filters into frequency-domain subfilters implemented by use of sub-convolutions. The...
Briefs: Electronics & Computers
Radio System for Locating Emergency Workers
A system based on low-power radio transponders and associated analog and digital electronic circuitry has been developed for locating firefighters and other emergency workers deployed in a building or other structure. The system has obvious potential for saving lives and reducing the risk of injuries.
Top Stories
Blog: Manufacturing & Prototyping
2025 Holiday Gift Guide for Engineers: Tech, Tools, and Gadgets
INSIDER: Research Lab
Scientists Create Superconducting Semiconductor Material
Blog: Software
Quiz: Materials
Blog: Aerospace
Tech Briefs Wrapped 2025: Top 10 Technology Stories
Blog: Manufacturing & Prototyping
Webcasts
Upcoming Webinars: AR/AI
The Real Impact of AR and AI in the Industrial Equipment Industry
Upcoming Webinars: Motion Control
Next-Generation Linear and Rotary Stages: When Ultra Precision...
Upcoming Webinars: Energy
Hydrogen Engines Are Heating Up for Heavy Duty
Podcasts: Medical
How Wearables Are Enhancing Smart Drug Delivery
Podcasts: Power
SAE Automotive Podcast: Solid-State Batteries

